SLAS955A March 2013 – July 2015 DRV10963
PRODUCTION DATA.
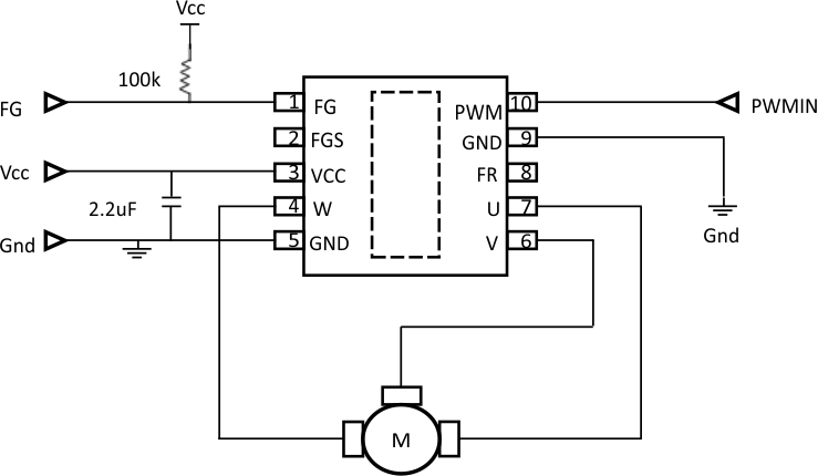
The DRV10963 is a three phase sensor-less motor driver with integrated power MOSFETs. It is specifically designed for high efficiency, low noise and low external component count motor drive applications. The proprietary sensor-less window-less 180° sinusoidal control scheme offers ultra-quiet motor drive performance. The DRV10963 contains an intelligent lock detect function, combined with other internal protection circuits to ensure safe operation. The DRV10963 is available in a thermally efficient 10-pin USON package with an exposed thermal pad.
| PART NUMBER | PACKAGE | BODY SIZE (NOM) |
|---|---|---|
| DRV10963 | USON (10) | 3.00 mm × 3.00 mm |
