SLPS415D September 2013 – March 2015 CSD87384M
PRODUCTION DATA.
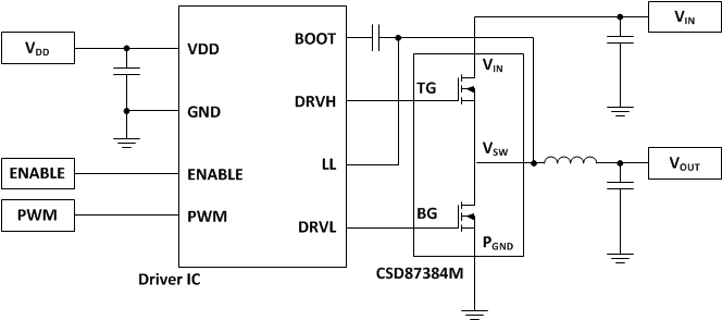
The CSD87384M NexFET™ Power Block II is a highly optimized design for synchronous buck applications offering high current and high efficiency capability in a small 5.0 mm × 3.5 mm outline. Optimized for 5 V gate drive applications, this product offers an efficient and flexible solution capable of providing a high density power supply when paired with any 5 V gate drive from an external controller or driver.
| Device | Media | Qty | Package | Ship |
|---|---|---|---|---|
| CSD87384M | 13-Inch Reel | 2500 | 5 × 3.5 LGA | Tape and Reel |
| CSD87384MT | 7-Inch Reel | 250 |

Typical Circuit![]() |
Typical Power Block Efficiency and Power Loss![]() |