ZHCSD49 December 2014 TPS62160-Q1
PRODUCTION DATA.
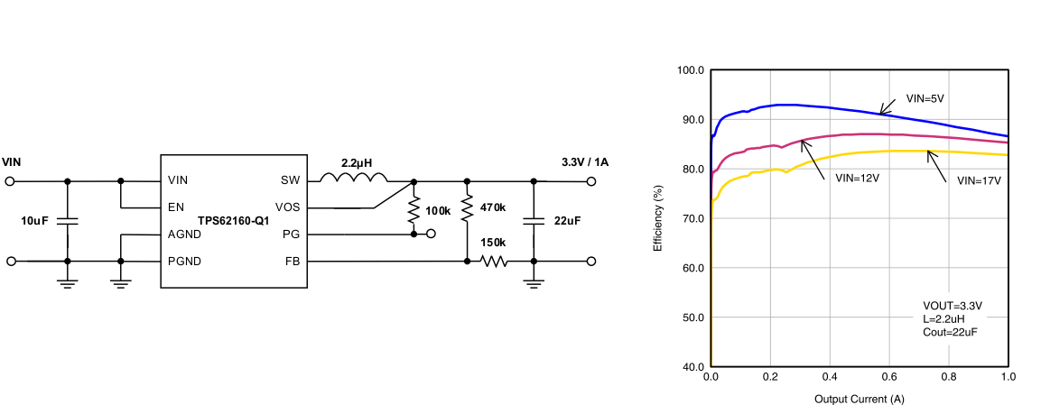
TPS62160-Q1 是一款易于使用的同步降壓 DC-DC 轉換器,針對高功率密度的應用進行了優化。 該器件的開關頻率典型值高達 2.25MHz,允許使用小型電感器,通過利用 DCS-Control™ 拓撲技術提供快速的瞬態響應并實現高輸出電壓精度。
此器件具有 3V 至 17V 寬運行輸入電壓范圍,非常適用于由鋰離子或其它電池以及 12V 中間電源軌供電的系統。 其輸出電壓為 0.9V 至 6V,支持高達 1A 的持續輸出電流(使用 100% 占空比模式)。
通過配置使能引腳和開漏電源正常狀態引腳也可以實現電源排序。
在節能模式下,器件可根據輸入電壓 (VIN) 生成約 17μA 的靜態電流。 負載較小時可自動且無縫進入節能模式,同時該模式可保持整個負載范圍內的高效率。 在關斷模式下,此器件會關閉且關斷期間的流耗少于 2μA。
此器件采用 2mm × 2mm (DSG) 8 引腳 WSON 封裝。
| 器件型號 | 封裝 | 封裝尺寸(標稱值) |
|---|---|---|
| TPS62160-Q1 | WSON (8) | 2.00mm x 2.00mm |
