ZHCSDI6A March 2015 – March 2015 TPS566250
PRODUCTION DATA.
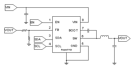
TPS566250 是一款同步降壓轉換器,可幫助系統設計人員通過經濟高效、低元件數、低待機電流的解決方案來實現一整套終端設備電源總線穩壓器。
初始上電之后,可通過 I2C 兼容 VID 控制總線向集成電路 (IC) 發送代碼來更改輸出電壓。
TPS566250 的主控制環路采用 D-CAP2™ 模式控制,無需外部補償元件即可實現快速瞬態響應。 自適應導通時間控制可使器件在高負載條件下的脈寬調制 (PWM) 模式與輕負載條件下的高級 Eco-mode™ 工作模式之間實現無縫切換。 高級 Eco-mode™ 使 TPS566250 能夠在輕負載條件下保持高效率。 TPS566250 既能夠適應諸如高分子有機半導體固體電容 (POSCAP) 或高分子聚合物電容 (SP-CAP) 的低等效串聯電阻 (ESR) 輸出電容,也能夠適應超低等效串聯電阻 (ESR) 的陶瓷電容。
該器件提供片上過流、欠壓閉鎖和熱關斷保護。
| 器件型號 | 封裝 | 封裝尺寸(標稱值) |
|---|---|---|
| TPS566250 | HSOP (8) | 4.90mm x 3.90mm |

