ZHCSDI6A March 2015 – March 2015 TPS566250
PRODUCTION DATA.
| VALUE | UNIT | |||
|---|---|---|---|---|
| V(ESD) | Electrostatic discharge | Human-body model (HBM), per ANSI/ESDA/JEDEC JS-001(1) | ±2000 | V |
| Charged-device model (CDM), per JEDEC specification JESD22-C101(2) | ±500 | |||
| MIN | MAX | UNIT | |||
|---|---|---|---|---|---|
| VIN | Supply input voltage range | 4.5 | 17 | V | |
| Input voltage range | BOOT | –0.1 | 23 | ||
| BOOT (10 ns transient) | –0.1 | 26 | |||
| BOOT (vs SW) | –0.1 | 6 | |||
| EN | –0.1 | 17 | |||
| FB, SDA, SCL | –0.1 | 3.3 | |||
| SW | –1.8 | 17 | |||
| SW (10 ns transient) | –3.5 | 20 | |||
| TJ | Operating junction temperature range | –40 | 150 | °C | |
| THERMAL METRIC(1) | TPS566250 | UNIT | |
|---|---|---|---|
| DDA (8) | |||
| RθJA | Junction-to-ambient thermal resistance | 42.1 | °C/W |
| RθJCtop | Junction-to-case (top) thermal resistance | 55.7 | |
| RθJB | Junction-to-board thermal resistance | 24.9 | |
| ψJT | Junction-to-top characterization parameter | 9.5 | |
| ψJB | Junction-to-board characterization parameter | 24.9 | |
| RθJCbot | Junction-to-case (bottom) thermal resistance | 3.5 | |
| PARAMETER | CONDITIONS | MIN | TYP | MAX | UNIT | |
|---|---|---|---|---|---|---|
| SUPPLY VOLTAGE | ||||||
| IIN | VIN supply current | TA = 25°C, EN = 5 V, FB = 0.7 V (non switching) | 450 | 525 | µA | |
| I(VINSDN) | VIN shutdown current | TA = 25°C, EN = 0 V | 6.5 | 10 | µA | |
| LOGIC THRESHOLD | ||||||
| V(ENH) | EN H-level threshold voltage | 1.1 | 1.6 | V | ||
| V(ENL) | EN L-level threshold voltage | 0.6 | 0.94 | V | ||
| Hystersis | 160 | mV | ||||
| R(EN) | EN pin resistance to GND | V(EN) = 12 V | 225 | 350 | 800 | kΩ |
| FEEDBACK VOLTAGE | ||||||
| V(FB) | FB voltage | TA = 0°C to 85°C VOUT = 1.1 V, Upper/lower feedback resistors: 1.37 kΩ / 1.65 kΩ |
–1.6% | 0 | 1.6% | |
| TA = 25°C, VOUT = 1.1 V, IOUT = 10 mA, pulse skipping | 0.606 | V | ||||
| TA = 25°C, VOUT = 1.1 V, continuous current mode | 0.594 | 0.6 | 0.606 | V | ||
| MOSFET | ||||||
| rDS(on)H | High side switch resistance | BOOT - SW = 5.5 V | 44 | 74 | mΩ | |
| rDS(on)L | Low side switch resistance | VIN = 12 V | 23 | 35 | mΩ | |
| Discharge FET | 200 | Ω | ||||
| ON-TIME TIMER CONTROL | ||||||
| fsw | Switching frequency | LOUT = 1.5 µH, COUT = 22 µF x 2, VOUT = 1.1 V | 650 | kHz | ||
| CURRENT LIMIT | ||||||
| IOCL | Valley current limit | LOUT = 1.5 µH, VOUT = 1.1 V, VIN = 12 V | 7.6 | 9.5 | 11.4 | A |
| Reverse valley current limit | LOUT = 1.5 µH, VOUT = 1.1 V | 1.5 | 4.5 | 7 | A | |
| OUTPUT UNDERVOLTAGE PROTECTION | ||||||
| V(UVP) | Output UVP trip threshold | UVP detect (H > L) | 65% | |||
| THERMAL SHUTDOWN | ||||||
| TSDN | Thermal shutdown Threshold | Shutdown temperature(1) | 165 | °C | ||
| Hysteresis(1) | 15 | °C | ||||
| UVLO | ||||||
| UVLO | UVLO Threshold | VIN rising voltage | 3.26 | 3.75 | 4.05 | V |
| Hysteresis VIN voltage | 0.13 | 0.33 | 0.48 | V | ||
| PGOOD VIA I2C | ||||||
| V(PGOODTH) | PGOOD threshold | FB falling (fault) VO = 1.1 V | 80% | |||
| FB rising (good) VO = 1.1 V | 85% | |||||
| FB rising (fault) VO = 1.1 V | 125% | |||||
| FB falling (good) VO = 1.1 V | 120% | |||||
| SERIAL INTERFACE(1)(2)(3) | ||||||
| VIL | LOW level input voltage | 0.6 | V | |||
| VIH | HIGH level input voltage | 1.85 | V | |||
| Vhys | Hysteresis of schmitt trigger inputs | 0.11 | V | |||
| VOL | LOW level output voltage (Open drain, 3 mA sink current) |
0.4 | V | |||
| fSCL | SCL clock frequency | 400 | kHz | |||
| Cb | Capacitive load for each bus line | 400 | pF | |||
| MIN | TYP | MAX | UNIT | |||
|---|---|---|---|---|---|---|
| ON-TIME TIMER CONTROL | ||||||
| ton | SW On time | VIN = 12 V, VOUT = 1.1 V | 165 | ns | ||
| toff | SW Minimum off time | TA = 25 °C, FB = 0.5 V | 275 | 325 | ns | |
| SOFT START | ||||||
| tSS | Soft start time | Internal soft start time | 0.7 | 1 | 1.3 | ms |
| OUTPUT UNDERVOLTAGE PROTECTION | ||||||
| t(UVPDEL) | Hiccup delay time (power into short) | 1.3 | ms | |||
| t(UVPEN) | Hiccup off time before restart | 10 | ms | |||
| SERIAL INTERFACE(1)(2)(3) | ||||||
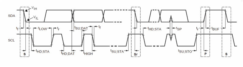
| t(SP) | Pulse width of spikes suppressed by input filter | 32 | ns | |||
| t(HD;STA) | Hold time (repeated) START condition. | 0.6 | µs | |||
| tLOW | LOW period of SCL clock | 1.3 | µs | |||
| tHIGH | HIGH period of SCL clock | 0.6 | µs | |||
| t(SU;STA) | Set-up time for a repeated START condition | 0.6 | µs | |||
| t(HD;DAT) | Data Hold time | 50 | 900 | ns | ||
| t(SU;DAT) | Data set-up time | 100 | ns | |||
| tr | Rise time (SDA or SCL) | 20+0.1Cb(3) | 300 | ns | ||
| tf | Fall time (SDA or SCL) | 20+0.1Cb(3) | 300 | ns | ||
| t(SU;STO) | Set-up time for STOP condition | 0.6 | µs | |||
| t(BUF) | Bus free time between STOP and START condition | 1.3 | µs | |||
Figure 1. I2C Timing Definitions (reproduced from Phillips I2C spec Version 1.1)










