KOKA065A June 2020 – September 2021 AMC1300 , AMC1300B-Q1 , AMC1301 , AMC1301-Q1 , AMC3301 , AMC3301-Q1 , AMC3302 , AMC3330-Q1
?? ??
| ?? ?? | AMC1300B ?? ?? | AMC1300B ?? ??(1.44VCM) | ?? ?? ?? | ||||
|---|---|---|---|---|---|---|---|
| VMAX | VMIN | VIN DIFF, MAX | VIN DIFF, MIN | VOUT DIFF, MAX | VOUT DIFF, MIN | VDD1 | VDD2 |
| +240V | -240V | +250mV | -250mV | +2.05V | -2.05V | 3.0V~5.5V | 3.0V~5.5V |
?? ?? I
? ??? ?? ???? ±250mV ?? ??, ?? ??, AMC1300B ?? ???? ???? ???, ?? ??? ?????. ??? ???? ???? ??? AMC1300B? ?? ?? ??????? ? ?????. ?? ???? ?? ?? ???? ?? ????? ?? ???? ?? ??? ?????. ?? ????? ?? ? ?? ?? ??? ???? ???? ??? ??? ??? ??? ?????. ??? ??? ???? ?? ?? ??? ?????. ?? ?? ? ??? ???? ????? ??? ????. ?????, ??? ???? ??? ??? ???? ?? ???? ????.
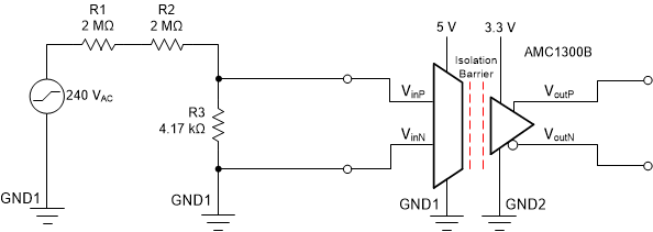
?? ??? ??? ?? ???? ?? ??? ????? ?? ??? ±240V~±250mV? ????. AMC1300B?? ??? ? ??? ?? ?? ??? ?? ?????. ??? ??? ?? ??? ????? ?? ??? ?? ?? DC/DC ???? ???? ????? ???? ??? ????. AMC1300B? 8.2V/V? ?? ???? ±250mV ?? ??? ???? ?? ?? ?? ??? 1.44V? ±2.05V? ?? ?? ?? ??? ??? ? ????. ?? ?? ??? ?? ?? ???? ???? ??? ?? ??? ? ???, ?? ??(??) ???? ?? ?? ADC? ????? ?? ???? ? ? ?? ??? TLV6001 ??? ???? ADC? ?????? ? ????.

?? ?? I
?? ?? I
DC ?? ?? I
?? ???? ±240V ??? ?????? ??? ?????. ??? –300V~+300V?? ???? ???? ?? ? ?? ??? ?????. ??? ?? ??? ??? ???? ±250mV, ??? ???? ±2.05V???. ??? ???? ?? ???? ?? ??? ?? 0? ??? ??? ? 1.042mV/V? ??? ? ? ????. ???? ???? ?? ???? ?? ?? ??? ?? AMC1300B? ??? 8.2V/V ???? ?? 0? ??? ??? 8.542mV/V? ??? ??? ??? ?????.
?? ????? ? ? ??? ?????? ??? ??? ???? ??? ???? ????. ??? ??? 107mV? ??? ?? ??? ????. ?? ??? ±250mV ?? ??? ???? ? ?????. ? ??? ??? ???? ???? ????, 837mV? ???? ???? ±2.05V ?? ???? ? ??? ?????. ?? ??? ??? ?? ??? ?????. ?? ???? ???? 1.042mV/V, ??? ???? 8.540mV/V? ??? ?????, ?? ?? 0.853mV/V? 6.842mV/V? ??? ????? ? 18.1%? 19.9%? ? ?? ??? ?????. ?? ????? ? ?? ?? ??? ?????.


?? ?? II
?? ??? 1MΩ ??? ?? ?? ??? ? ??? ??? ? ?? ?? ??????? ?????. AMC1300B ???? 22kΩ? ?? ?? ????? ?? ??? ??? ??? ? ?? ??? ?????. ? ?? ???? ?? ??? ?? ?? ?? ???? ???? ??? ?? ?? ? ??? ??? ?? ??? ???? ??? ? ????.
?? ??? R3? ????? ?? ??? ?? ?????. ???? ?? ??? R3? ???? ???, R1 ? R2?? ??? ?? ??? R3? ???? ??? ???? ??? ???? ???. ? ??? ??? ???? ??? ?? ?? ??? ?????. ??? ?? ?? I ??? 4??? ?? ??? ???? ???, ???? ?? ????? R3? ??? ?? ?? ??? ??? ???? ???. ??? ??? ?? ???? ?? ?? ??? ?? ?? R3? ?? ??? ???? ??? ????. R3? ?? ? ???? ??? ???? ??? ??? ??? ??? ? ???? ???? ?????.
?? ??? ???? ?? ?? I ???? ??? ??? ??? ? ????. ?? ??? ?? ?? ???? ? ?? ?? ??? 22kΩ?? ?? ???? ??? 30μA???. R3? ?? ??? ?? 4.17kΩ??, ????? ???? ???? 18.7%? ?? ??? 125mV? ??? ??? ? ? ????. ?? ??, ?????? ??? ??? ???? 19.9%? ?? ??, ???? ???? 107mV? ???? ????. ??? ?? ??? ??? ?? ??? ??? ??? ? ?? ??? ?????. ?????? ??? ?? ?? ?? ??? ?? ?? ??? ??? ? ??? ? ? ????.
AMC1300 ??, ±250mV ??, ?? ?? ??? ??? ???? ??? ?? ?? ?? ?? ??????? ?? ???? ??? ??? ??? R3'? ???? ??? ? ?? ??? ?? ? ????. ???? ???? ??? ?? ?? ?? ????? ?? ?? ??? ??? ???? ?????. ??? ?? ??? ??? ??? ?? ?????. ?? R3 ?? ??? ? ??? ? R3'? ?? ??? ??? ?????. ??? 240V ??? ? ???? ?? ??? ???? ?? ?? ??? ?????.
?? ?? II - R3' ??
?? ?? I? ????? ?? ? Rtop ?? ??? ??? ????, ??? ?? ??? ???? ?? R3 ? R3'? ???? ?? ? ?????.
?? ?? ???? ?? ??? ?????. ????? ??? Rind? AMC1300B? ?? ?? ??? ????, ???? ????? ? ???.

DC ?? ?? II
?? ???? ??? ??? ???? ±240V ??? ?? ?????? ??? ?????. ??? ?? ??? ??? ???? ±250mV, ??? ???? ±2.05V???.


??? ? ??? ??? ? ?? ??? ??? ????. ?? ??? ?? ? ?? ??? 0?? ??????. ?? ??? ??? ?? ?? ???? ??? R3? ?? R3'? ?? ???? ?? ?? ? ???? ? ??? ???? ?? ? ?? ?? ?? ??? ?????.
? ?? ??? R3? ?? AMC1300B ??? ???? ??? ?? ?? ???? ???? ??? ??? ???? ?? R3'? ??? ?????. ??? R3 ? R3'? ?? ???? ?? ????? ??? ? ??? ???? ?? ?? ??? ? ?? ?? ?? ???? ?? ????? ??? ????.
???? ???? ???? ???? ?? ?? ??? ?? ??? E189 ??? ?? ?? ?? ? ????. ? ?? ?? R3 ? R3'? ??? ??? ?? ?? ??? 0.1% ?? ?? 6.65kΩ???. ?? ?? ?????? ??? ????.

R3 ? R3'? ?? ??? ? ?? ??? ???? ?? ??? ?? ????? ? ? ??? ?? ????. ??? ?? ??? 18.2%?? 0.3%? ??????. ??? ?? ??? 19.9%?? 0.4%? ??????. ??? ??? ???? 195μV, ???? 2mV? ??????.

AC ?? ?? II
AC ??? ??? ??? ? ? ?? ??? ??? ?????. ?? ????? ???? ?????? ?? -41.40dB ?? 8.51mV/V? DC ?? ??? ?? ??? ?????. ?? ?? ???? ?????, ??? ?? ?? –41.37dB ?? 8.54mV/V? ????? ?????. ??? ?????? ???? 313.1kHz? ??? ???? ?? ??? ??? 310kHz? ??? ???? ?? ?????.

?? ??
?? ?? ?? ??? ??
| AMC1300B | |
|---|---|
| VDD1 | 3.0V~5.5V |
| VDD2 | 3V~5.5V |
| ?? ?? ?? | ±250mV |
| ?? ?? | 8.2 |
| VOUT | 1.44V? ?? ?? ???? ?? ±2.05V |
| ?? ?? | 19kΩ(??, ?? ??), 22kΩ(??, ??) |
| ?? ?? ??? | 310kHz |
| ?? ??? ?? ? ???? | ±0.2mV(??), ±3μV/°C(??) |
| ?? ?? ? ???? | ±0.3%(??), ±15ppm/°C(??) |
| ???? ? ???? | ±0.03%(??), ±1ppm/°C(??) |
| ?? ?? ??? | 7.071kVPEAK |
| ?? ?? | 1.5kVRMS, 2.121kVDC |
| CMTI(?? ?? ?? ??) | 75kV/μs(??), 140kV/μs(??) |
| AMC1300 | |
?? ?? ?? ??? ??
| AMC1200 | |
|---|---|
| VDD1 | 4.5V~5.5V |
| VDD2 | 2.7V~5.5V |
| ?? ?? ?? | ±250mV |
| ?? ?? | 8 |
| VOUT | ?? ±2V, ?? ??? ?? ??? ?? ?? |
| ?? ?? | 28kΩ(??, ??) |
| ?? ?? ??? | 100kHz |
| ?? ??? ?? ? ???? | ±1.5mV(??), ±10μV/°C(??) |
| ?? ?? ? ???? | ±1%(??), ±56ppm/°C(??) |
| ???? ? ???? | ±0.1%(??), ±2.4ppm/°C(??) |
| ?? ?? ??? | 4kVPEAK |
| ?? ?? | 1.2kVpeak |
| CMTI(?? ?? ?? ??) | 10kV/μs(??), 15kV/μs(??) |
| AMC1200 | |