GERA030A June 2020 – September 2021 AMC1300 , AMC1300B-Q1 , AMC1301 , AMC1301-Q1 , AMC3301 , AMC3301-Q1 , AMC3302 , AMC3330-Q1
Designziele
| Spannungsquelle | AMC1300B Eingangsspannung | AMC1300B Ausgangsspannung (1,44 VCM) | Stromversorgungen | ||||
|---|---|---|---|---|---|---|---|
| VMAX | VMIN | VIN DIFF, MAX | VIN DIFF, MIN | VOUT DIFF, MAX | VOUT DIFF, MIN | VDD1 | VDD2 |
| +240V | -240V | +250mV | -250mV | +2,05V | -2,05V | 3,0 V–5,5 V | 3,0 V–5,5 V |
Designbeschreibung I
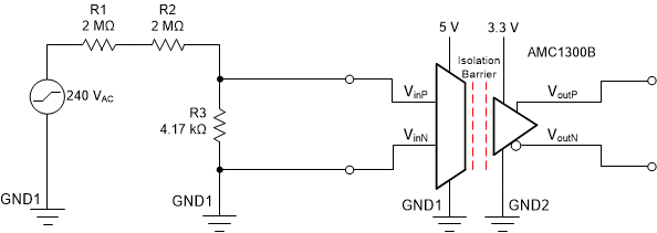
Dieser Schaltkreis führt eine Hochspannungs-Differenzmessung mit einem Spannungsteiler und einem AMC1300B-isolierten Verst?rker mit einem ±250 mV-Differenzeingang und Differenzausgang durch. Da es sich um einen Baustein mit geringer Eingangsimpedanz handelt, eignet sich der AMC1300B besser für Strommessanwendungen. Die Interaktion der Eingangsimpedanz des isolierten Verst?rkers mit dem Eingangsspannungsteiler führt zu einem Verst?rkungsfehler. Darüber hinaus führt der Vorstrom, der an den Eing?ngen mit niedriger Impedanz und durch den Spannungsmesswiderstand flie?t, zu einem signifikanten Offsetfehler. Zun?chst werden diese Fehler nicht kompensiert. Danach beobachten wir ihre Auswirkungen und beschreiben sie mathematisch. Zum Schluss werden wir das Design neu gestalten, um ihre Auswirkungen zu begrenzen und die verbesserten Ergebnisse zu beobachten.
Der Spannungsteilerschaltkreis reduziert die Eingangsspannung von ±240 V auf ±250 mV, um sie dem Eingangsbereich des Isolationsverst?rkers anzupassen. Der AMC1300B erfordert sowohl High- als auch Low-Side-Stromversorgungen. Die Highside-Stromversorgung wird h?ufig mit einer potenzialfreien Stromversorgung oder von der Low-Side mit einem isolierten Transformator oder einem isolierten DC/DC-Wandler erzeugt. Der AMC1300B kann Differenzsignale von ±250 mV mit einer festen Verst?rkung von 8,2 V/V messen und eine isolierte Differenzausgangsspannung von ±2,05 V mit einer Gleichtaktspannung von 1,44 V ausgeben. Die differenzielle Ausgangsspannung kann nach Bedarf mit einem zus?tzlichen Operationsverst?rker skaliert werden, wie im Technischen Hinweis zur Schnittstelle mit einem TLV6001-Baustein zur Anbindung an einen A/D-Wandler mit unsymmetrischem Eingang (isoliert) gezeigt.

Designhinweise I
Designschritte I
Gleichstromübertragungskennlinie I
Die folgenden Diagramme zeigen die simulierte Ausgabe für eine ±240 V-Quelle. Die Quelle wird von -300 V bis +300 V durchlaufen, und die Eingangs- und Ausgangsspannungen des Verst?rkers werden beobachtet. Die gewünschten linearen Bereiche sind ±250 mV am Eingang des Verst?rkers und ±2,05 V am Ausgang des Verst?rkers. Am Eingang des Verst?rkers erwarten wir aufgrund der Spannungsteilung des Spannungsteilers einen Offsetfehler von 0 und eine Verst?rkung von ca. 1,042 mV/V. Am Ausgang des Verst?rkers erwarten wir erneut einen Offsetfehler von 0 und eine Verst?rkung von 8,542 mV/V aufgrund der D?mpfung der Spannungsquelle des Spannungsteilers, gefolgt von der festen 8,2 V/V-Verst?rkung von AMC1300B.
Wie in den folgenden Grafiken zu sehen ist , stimmen die simulierten Ergebnisse nicht mit der gewünschten, idealen Ausgabe überein. Am Eingang des Verst?rkers liegt ein Offsetspannungsfehler von 107 mV vor. Dies ist im Vergleich zum ±250 mV-Eingangsbereich des Bauteils signifikant. Dieser Offsetfehler wird zum Ausgang des Verst?rkers übertragen, wo ein 837 mV-Offset einen gro?en Teil des ±2,05 V-Ausgangsbereichs des Verst?rkers einnimmt. Die Schaltung weist au?erdem einen signifikanten Verst?rkungsfehler auf. Obwohl am Eingang des Spannungsteilers eine Verst?rkung von 1,042 mV/V und am Ausgang des Bausteins eine Verst?rkung von 8,540 mV/V zu erwarten ist, beobachten wir stattdessen Verst?rkungen von 0,853 mV/V bzw. 6,842 mV/V, die zu gro?en Verst?rkungsfehlern von ca. 18,1 % bzw. 19,9 % führen. Im folgenden Abschnitt werden bessere Designverfahren definiert.


Designbeschreibung II
Die vorherige Methode eignet sich für Spannungsmessanwendungen, wenn Bausteine mit gro?en Eingangswiderst?nden, wie z. B. 1 MΩ oder h?her, verwendet werden. Der AMC1300B-Baustein hat eine differenzielle Eingangsimpedanz von 22 kΩ, was zu den oben gezeigten Offset- und Verst?rkungsfehlern führt. Verst?rkungs- und Offsetfehler bei der Verwendung eines Verst?rkers mit niedriger Eingangsimpedanz zur Spannungsmessung in dieser Schaltkreiskonfiguration k?nnen mit den folgenden Formeln gesch?tzt werden.
Der Verst?rkungsfehler ist das Ergebnis einer nicht idealen Spannungsaufteilung durch R3. Da der Eingangswiderstand des Verst?rkers mit R3 vergleichbar ist, wird ein Teil des an R1 und R2 ausgehenden Stroms nicht durch R3 geleitet, sondern durch den Eingang des Verst?rkers geleitet. Das Ergebnis ist ein unerwarteter Spannungsabfall am Eingang des Verst?rkers. Daher ist die Formel in Schritt 4 des Abschnitts Designschritte I ungültig. Es muss eine umfassendere Formel berücksichtigt werden, bei der die Eingangsimpedanz des Verst?rkers parallel zu R3 ist. Der Offset-Fehler ist das Produkt des Bias-Stroms, der durch den Shunt-Widerstand R3 vom PLUS-Eingangspin des isolierten Verst?rkers flie?t. Dieser Bias-Strom an R3 V kann zu signifikanten Offsetspannungen am Eingang führen, die dann verst?rkt und an den Ausgang geleitet werden.
Anhand der vorherigen Formeln kann man die Fehler der Schaltung im Abschnitt Designschritte I absch?tzen. Unter Verwendung der typischen im Datenblatt angegebenen Werte betr?gt der Differenzeingangswiderstand 22 kΩ und der Eingangsruhestrom 30 μA. Wir haben für R3 einen Wert von 4.17 kΩ festgelegt. Daher ist am Eingang des Verst?rkers ein Verst?rkungsfehler von 18,7 % und ein Offsetfehler von 125 mV zu erwarten. Im Vergleich dazu hatten die simulierten Fehler einen Verst?rkungsfehler von 19,9 % am Ausgang des Verst?rkers und 107 mV des Offsets am Eingang. Diese Fehlerformeln sind wertvolle Hilfsmittel, um sich schnell ein Bild von der zu erwartenden Gr??e der Fehler zu machen. Ohne Simulationen k?nnen Sie sich ein Bild davon machen, ob die erwarteten Fehler für den Endanwender akzeptabel sind oder nicht.
Wie im Datenblatt AMC1300 Precision, ±250 mV Eingang, verst?rkter isolierter Verst?rker erw?hnt, kann die Einführung von R3' in Reihe mit dem invertierenden Anschluss des Verst?rkers für Spannungsmessanwendungen die Offset- und Verst?rkungsfehler reduzieren. Der Bias-Strom des Verst?rkers erzeugt am negativen Eingangspin einen ?hnlichen Offset wie am positiven Eingangspin. Dadurch wird die Gr??e der gesamten Offsetspannung erheblich verringert. Darüber hinaus werden die Auswirkungen des Eingangswiderstands des Verst?rkers und R3' bei der Auswahl des Wertes R3 berücksichtigt. Dies erm?glicht eine idealere Spannungsverteilung der 240 V-Quelle und verbessert den Gesamtverst?rkungsfehler.
Designschritte II – Berücksichtigung von R3'
Wie in den Designschritten I sind die Verst?rkungs- und RtoP-Widerstandsberechnungen exakt gleich. Deshalb sind wir mehr an der Berechnung von R3 und R3' interessiert, um die beste Schaltkreisleistung zu erzielen.
Dies ist die daraus resultierende ideale Schaltungskonfiguration. Beachten Sie, dass rot dargestellte Rind den differenziellen Eingangswiderstand des AMC1300B darstellt und nicht zum Schaltplan hinzugefügt werden sollte.

Gleichstromübertragungskennlinie II
Die folgenden Diagramme zeigen das simulierte Ausgangssignal für eine Spannungsquelle mit ±240 V unter Verwendung des neuen Designs. Erinnern Sie sich, dass die gewünschten linearen Bereiche ±250 mV am Eingang des Verst?rkers und ±2,05 V am Ausgang des Verst?rkers sind.


Das neue Design bietet einen deutlich verbesserten Offset-Fehler. Eingangsoffsetspannung und Verst?rkungsfehler wurden auf Null reduziert. Die überarbeitete Schaltung zeigt auch eine bessere Verst?rkungsfehlerleistung, da eine genauere Berechnung verwendet wird, um den gewünschten Wert von R3 für den Eingangsspannungsteiler und den Idealwert für R3' zu ermitteln.
Dieses positive Ergebnis ist eine Folge der Hinzufügung von R3', um die durch den Bias-Strom des AMC1300B-Bausteins über R3 im ursprünglichen Design eingeführte Offsetspannung zu l?schen. Der Nachteil ist, dass die Idealwerte für R3 und R3’ nicht im Handel erh?ltlich sind und es in Wirklichkeit nicht sinnvoll w?re, zwei verschiedene Widerstandswerte zu verwenden, die so nahe beieinander liegen.
Mit dem Analog Engineers Calculator ist es m?glich, die n?chsten E189 Serienwiderstandswerte zu finden, die sofort verfügbar sind. In beiden F?llen betr?gt der den berechneten Idealwerten für R3 und R3’ am n?chsten liegende Widerstandswert von 0,1 % 6.65 kΩ. Der letzte Schaltplan folgt.

Mit sofort verfügbaren Widerst?nden für R3 und R3' ist die Schaltkreisleistung immer noch ziemlich gut, wie in den folgenden Diagrammen zu sehen ist. Der Verst?rkungsfehler am Eingang wurde von 18,2 % auf 0,3 % reduziert. Der Verst?rkungsfehler am Ausgang wurde von 19,9 % auf 0,4 % reduziert. Die Offsetfehler werden auch auf 195 μV am Eingang und 2 mV am Ausgang reduziert.

AC-übertragungskennlinie II
Eine AC-Abtastung validiert den Frequenzbereich, in dem der gewünschte Ausgang zu erwarten ist. Im folgenden Simulationsplot entspricht die simulierte Verst?rkung von –41,40 dB oder 8,51 mV/V dem Verst?rkungsergebnis im DC-Ausgangsdiagramm. Dies liegt relativ nahe an der gewünschten Ausgangsverst?rkung von –41,37 dB oder 8,54 mV/V, wie im vorhergehenden Abschnitt erl?utert wurde. Die simulierte Bandbreite des Designs, 313,1 kHz, übersteigt leicht die Erwartungen, die durch die typische Bandbreitenspezifikation von 310 kHz im Datenblatt festgelegt werden.

Quellennachweise
Design vorgestellter isolierter Operationsverst?rker
| AMC1300B | |
|---|---|
| VDD1 | 3,0 V–5,5 V |
| VDD2 | 3 V–5,5 V |
| Eingangsspannungsbereich | ±250 mV |
| Nennverst?rkung | 8,2 |
| VOUT | Differenziell ±2,05 V am Ausgangsgleichtakt von 1,44 V |
| Eingangswiderstand | 19 kΩ (Typ, unsymmetrisch), 22 kΩ (Typ, differenziell) |
| Kleinsignalbandbreite | 310 kHz |
| Eingangs-Offsetspannung und Drift | ±0, 2mV (max.), ±3 μV/°C (max.) |
| Verst?rkungsfehler und Drift | ±0,3 % (max.), ±15 ppm/°C (Typ) |
| Nichtlinearit?t und Drift | ±0,03 % (max.), ±1 ppm/°C (Typ) |
| Isolierung Transiente überspannung | 7,071 kVPEAK |
| Arbeitsspannung | 1,5 kVRMS, 2,121 kVDC |
| Gleichtakt-Transientenst?rfestigkeit (CMTI) | 75 kV/μs (min.), 140 kV/μs (typ.) |
| AMC1300 | |
Design alternativer isolierter Operationsverst?rker
| AMC1200 | |
|---|---|
| VDD1 | 4,5 V–5,5 V |
| VDD2 | 2,7 V–5,5 V |
| Eingangsspannungsbereich | ±250mV |
| Nennverst?rkung | 8 |
| VOUT | Differenziell ±2 V, Gleichtakt variiert mit dem Versorgungsspannungsbereich |
| Eingangswiderstand | 28 kΩ (typ., differenziell) |
| Kleinsignalbandbreite | 100kHz |
| Eingangs-Offsetspannung und Drift | ±1,5 mV (max.), ±10 μV/°C (max.) |
| Verst?rkungsfehler und Drift | ±1 % (max.), ±56 ppm/°C (typ.) |
| Nichtlinearit?t und Drift | ±0,1 % (max.), ±2,4 ppm/°C (typ.) |
| Isolierung Transiente überspannung | 4 kVPEAK |
| Arbeitsspannung | 1,2 kVPeak |
| Gleichtakt-Transientenst?rfestigkeit (CMTI) | 10 kV/μs (min), 15 kV/μs (typ.) |
| AMC1200 | |