ZHCSPT7B October 2023 – June 2024 TPSM843620
PRODUCTION DATA
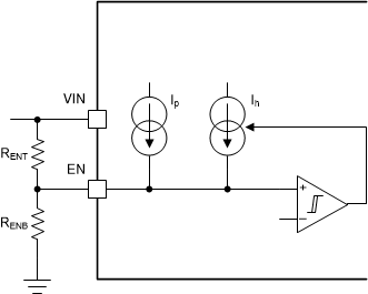
The EN pin provides on and off control of the device. After the EN pin voltage exceeds the threshold voltage, the device begins the start-up sequence. If the EN pin voltage is pulled below the threshold voltage, the regulator stops switching and enters a low operating current state. The EN pin has an internal pullup current source, Ip, allowing the pin to be floated to enable the device by default. Make that leakage currents of anything connected to the EN pin do not exceed the minimum EN pullup current or the device can not be able to start. If an application requires controlling the EN pin, an open drain or open collector output logic can be interfaced with the pin.
When the EN pin voltage exceeds the threshold voltage and the VIN pin voltage exceeds the VIN UVLO threshold, the device begins the start-up sequence. First, the BP5 LDO is enabled and charges the external BP5 capacitor. After the voltage on the BP5 pin exceeds the UVLO threshold, the device enters a power-on delay. During the power-on delay, the values of the pinstrap resistors on the MODE pin (see Section 6.3.8) and SYNC/FSEL pin (see Section 6.3.4) are determined and the control loop is initialized. The power-on delay is typically 600μs. After the power-on delay, soft start begins.
An external resistor divider can be added from VIN to the EN pin for adjustable UVLO and hysteresis as shown in Figure 6-2. The EN pin has a small pullup current, Ip, which sets the default state of the pin to enable when no external components are connected. The pullup current is also used to control the voltage hysteresis for the UVLO function because it increases by Ih after the EN pin crosses the enable threshold. The UVLO thresholds can be calculated using Equation 1 and Equation 2. When using the adjustable UVLO function, TI recommends 500mV or greater hysteresis. For applications with very slow input voltage slew rate, a capacitor can be placed from the EN pin to ground to filter any glitches on the input voltage.
Figure 6-2 Adjustable UVLO Using EN
