ZHCS120B March 2011 – July 2015 TPS7A4001
PRODUCTION DATA.
NOTE
Information in the following applications sections is not part of the TI component specification, and TI does not warrant its accuracy or completeness. TI’s customers are responsible for determining suitability of components for their purposes. Customers should validate and test their design implementation to confirm system functionality.
One of the primary applications of the TPS7A4001 device is to provide transient voltage protection to sensitive circuitry that may be damaged in the presence of high-voltage spikes.
This transient voltage protection can be more cost-effective and compact compared to topologies that use a transient voltage suppression (TVS) block.
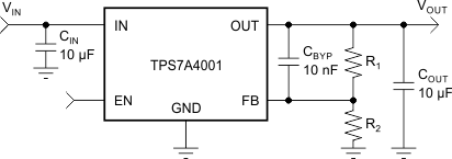
The TPS7A4001 device has an output voltage range of about 1.175 to 90 V. The nominal output voltage of the device is set by two external resistors, as shown in Figure 13.
Figure 13. Adjustable Operation for Maximum AC Performance
Calculate R1 and R2 for any output voltage range using the formula shown in Equation 1. To ensure stability under no-load conditions, this resistive network must provide a current ≥ 10 μA.

If greater voltage accuracy is required, consider the output voltage offset contributions because of the feedback pin current and use 0.1% tolerance resistors.
Figure 14. Example Circuit to Maximize Transient Performance
For this design example, use the following parameters listed in Table 2.
| PARAMETER | VALUE |
|---|---|
| VIN | 12 V, with 55 V surge tolerance |
| VOUT | 5 V (ideal), 4.981 (actual) |
| IOUT | 28 mA |
| Accuracy | 5 % |
| R1, R2 | 162 kΩ, 49.9 kΩ |
The maximum value of total feedback resistance can be calculated to be 500 kΩ. Equation 1 was used to calculate R1 and R2, and standard 1% resistors were selected to keep the accuracy within the 5% allocation. 10-uF ceramic input and output capacitors were selected, along with a 10-nF bypass capacitor for optimal AC performance.
Low equivalent series resistance (ESR) capacitors should be used for the input, output, and bypass capacitors. Ceramic capacitors with X7R and X5R dielectrics are required. Ceramic X7R capacitors offer improved voltage and temperature coefficients, while ceramic X5R capacitors are the most cost-effective and are available in higher values.
NOTE
High ESR capacitors may degrade PSRR.
The TPS7A4001 device high voltage linear regulator achieves stability with a minimum output capacitance of 4.7 µF and input capacitance of 1 µF; however, TI highly recommends to use 10-μF output and input capacitors to maximize AC performance.
Although a bypass capacitor (CBYP) is not needed to achieve stability, TI highly recommends using a 10-nF bypass capacitor to maximize AC performance (including line transient, noise, and PSRR). For additional information regarding the performance improvements of using a bypass capacitor, see .
As with any regulator, increasing the size of the output capacitor reduces overshoot and undershoot magnitude but increases the duration of the transient response.
The presence of the CBYP capacitor may greatly improve the line transient response of the TPS7A4001 device, as shown in Figure 1.