ZHCSPP3 July 2022 TPS563300
PRODUCTION DATA
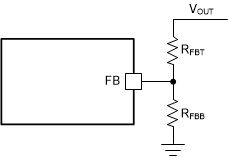
A precision 0.8-V internal reference voltage, VREF, is used to maintain a tightly regulated output voltage over the entire operating temperature range. The output voltage is set by a resistor divider from the output voltage to the FB pin. TI recommends using 1% tolerance resistors with a low temperature coefficient for the FB divider. Select the bottom-side resistor, RFBB, for the desired divider current and use Equation 1 to calculate the top-side resistor, RFBT. Lower RFBB increases the divider current and reduces efficiency at very light load. Larger RFBB makes the FB voltage more susceptible to noise, so the larger RFBB value requires more carefully designed feedback path on the PCB. Setting RFBB = 10 k? and RFBT in the range of 10 k? to 300 k? is recommended for most applications.
The tolerance and temperature variation of the resistor dividers affect the output voltage regulation.
Figure 7-2 Output Voltage Setting
where