ZHCSOG0 june 2021 TPS53689
PRODUCTION DATA
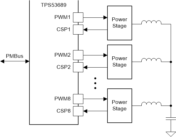
TPS53689 是一款符合 VR14 SVID 標準的降壓控制器,具有雙通道、內置非易失性存儲器 (NVM) 和 PMBus? 接口,而且與 TI NexFET? 功率級完全兼容。D-CAP+ 架構等高級控制特性以及下沖衰減 (USR) 和過沖衰減 (OSR) 可提供快速瞬態響應、最低輸出波紋和出色的動態電流共享。該器件還提供全新的相位交錯策略和動態切相功能,可有效提升輕負載條件下的效率。還本地支持輸出電壓轉換率和自適應電壓定位的可調控制。此外,該器件還支持 PMBus 通信接口,可向主機系統報告遙測的電壓、電流、功率、溫度和故障狀況。所有可編程參數均可通過 PMBus 接口進行配置,而且可作為新的默認值存儲在 NVM 中,以盡可能減少外部組件數量。
TPS53689 器件采用散熱增強型 40 引腳 QFN 封裝,額定工作溫度為 –40°C 至 125°C。
| 器件型號 | 封裝(1) | 封裝尺寸(標稱值) |
|---|---|---|
| TPS53689 | QFN (40) | 5.00 mm × 5.00 mm |
