ZHCSI22F October 2017 – December 2021 TPS2662
PRODUCTION DATA
In case of short circuit and over load current limit, when the device interrupts current flow, input inductance generates a positive voltage spike on the input and output inductance generates a negative voltage spike on the output. The peak amplitude of voltage spikes (transients) depends on the value of inductance in series to the input or output of the device. These transients can exceed the Absolute Maximum Ratings of the device if steps are not taken to address the issue.
Typical methods for addressing transients include:
The approximate value of input capacitance can be estimated with Equation 13.

where
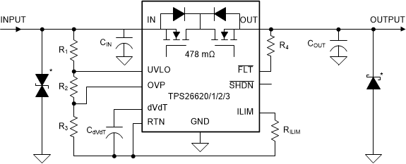
Some applications can require additional Transient Voltage Suppressor (TVS) to prevent transients from exceeding the Absolute Maximum Ratings of the device. These transients can occur during positive and negative surge tests on the supply lines. In such applications TI recommends to place at least 1 μF of input capacitor to limit the falling slew rate of the input voltage within a maximum of 20 V/μs.
The circuit implementation with optional protection components (a ceramic capacitor, TVS and Schottky diode) is shown in Figure 11-1 and Figure 11-2.

