ZHCSLT0D November 2007 – October 2020 TPS2041B-Q1 , TPS2042B-Q1 , TPS2051B-Q1
PRODUCTION DATA
USB can be implemented in several ways, and, regardless of the type of USB device being developed, several power-distribution features must be implemented.
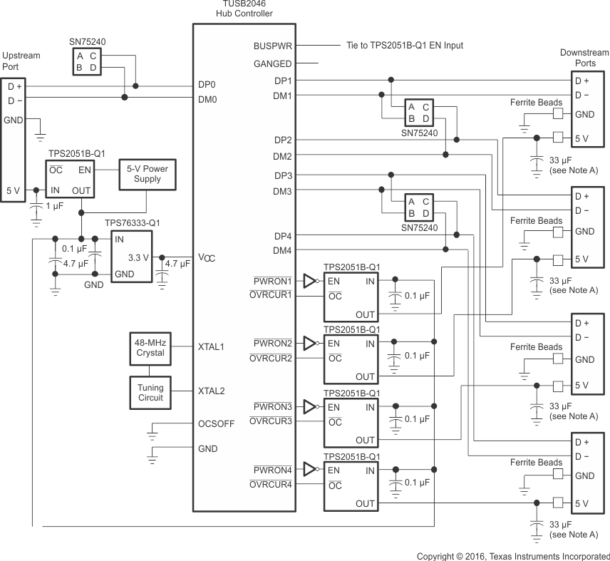
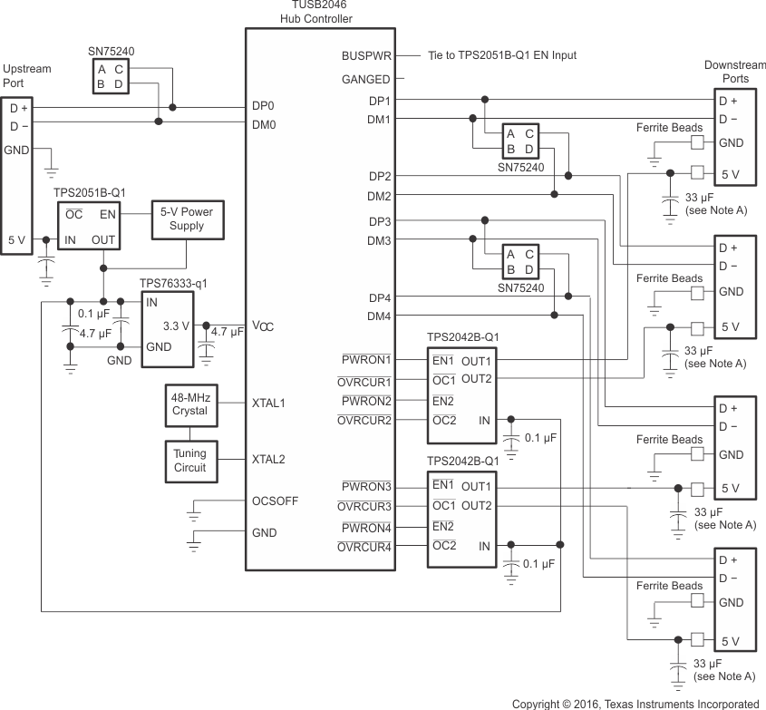
The feature set of the TPS204xB-Q1 and TPS205xB-Q1 allows them to meet each of these requirements. The integrated current-limiting and overcurrent reporting is required by hosts and self-powered hubs. The logic-level enable and controlled rise times meet the need of both input and output ports on bus-powered hubs, as well as the input ports for bus-powered functions (see Figure 9-12 and Figure 9-13).

