ZHCSK59B August 2019 – February 2024 TMUX1121 , TMUX1122 , TMUX1123
PRODUCTION DATA
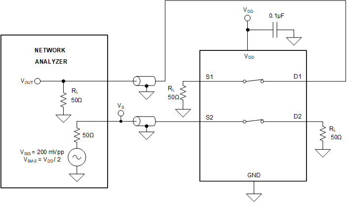
Crosstalk is defined as the ratio of the signal at the drain pin (Dx) of a different channel, when a signal is applied at the source pin (Sx) of an on-channel. The characteristic impedance, Z0, for the measurement is 50Ω. Figure 7-8 shows the setup used to measure, and the equation used to compute crosstalk.
Figure 7-8 Channel-to-Channel Crosstalk Measurement Setup