ZHCSJ14S August 2004 – May 2024 TL431 , TL432
PRODUCTION DATA
高溫和低溫下的數據僅適用于各種器件在自然通風條件下的推薦工作溫度范圍內。
圖 6-1 基準電壓與自然通風溫度之間的關系
圖 6-3 陰極電流與陰極電壓之間的關系
圖 6-5 關閉狀態陰極電流與自然通風條件下的溫度之間的關系
圖 6-7 等效輸入噪聲電壓與頻率間的關系
圖 6-2 基準電流與自然通風溫度之間的關系
圖 6-4 陰極電流與陰極電壓之間的關系
圖 6-6 Δ 基準電壓與 Δ 陰極電壓之比與自然通風條件下的溫度之間的關系
圖 6-8 10S 周期內的等效輸入噪聲電壓
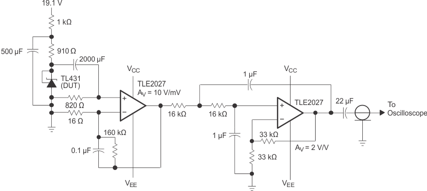
圖 6-9 10S 周期內等效輸入噪聲電壓的測試電路
圖 6-10 小信號電壓放大與頻率之間的關系
圖 6-12 基準阻抗與頻率之間的關系
圖 6-14 脈沖響應
|
曲線下的區域表示可能導致器件振蕩的條件。針對曲線 B、C 和 D,對 R2 和 V+ 進行了調整,以建立初始 VKA 和 IKA 條件,且 CL = 0。然后,對 VBATT 和 CL 進行了調整,以確定穩定范圍。 |

|
曲線下的區域表示可能導致器件振蕩的條件。針對曲線 B、C 和 D,對 R2 和 V+ 進行了調整,以建立初始 VKA 和 IKA 條件,且 CL = 0。然后,對 VBATT 和 CL 進行了調整,以確定穩定范圍。 |
圖 6-11 電壓放大測試電路
圖 6-13 基準阻抗測試電路
圖 6-15 脈沖響應測試電路
圖 6-17 穩定性邊界條件測試電路
圖 6-19 穩定性邊界條件測試電路