ZHCSKQ4D August 2019 – January 2024 SN74AXC2T45
PRODUCTION DATA
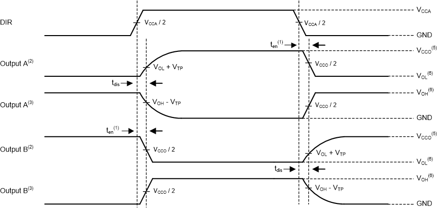
除非另有說明,否則所有輸入脈沖由具有以下特性的發生器提供:

| 參數 | VCCO | RL | CL | S1 | VTP | |
|---|---|---|---|---|---|---|
| Δt/Δv | 輸入轉換上升或下降速率 | 0.65V 至 3.6V | 1MΩ | 15pF | 開路 | 不適用 |
| tpd | 傳播(延遲)時間 | 1.1V 至 3.6V | 2kΩ | 15pF | 開路 | 不適用 |
| 0.65V 至 0.95V | 20kΩ | 15pF | 開路 | 不適用 | ||
| ten、tdis | 啟用時間、禁用時間 | 3V 至 3.6V | 2kΩ | 15pF | 2 x VCCO | 0.3V |
| 1.65V 至 2.7V | 2kΩ | 15pF | 2 x VCCO | 0.15V | ||
| 1.1V 至 1.6V | 2kΩ | 15pF | 2 x VCCO | 0.1V | ||
| 0.65V 至 0.95V | 20kΩ | 15pF | 2 x VCCO | 0.1V | ||
| ten、tdis | 啟用時間、禁用時間 | 3V 至 3.6V | 2kΩ | 15pF | GND | 0.3V |
| 1.65V 至 2.7V | 2kΩ | 15pF | GND | 0.15V | ||
| 1.1V 至 1.6V | 2kΩ | 15pF | GND | 0.1V | ||
| 0.65V 至 0.95V | 20kΩ | 15pF | GND | 0.1V | ||


