ZHCSBS4F July 2013 – August 2014 SN65HVD01
PRODUCTION DATA.
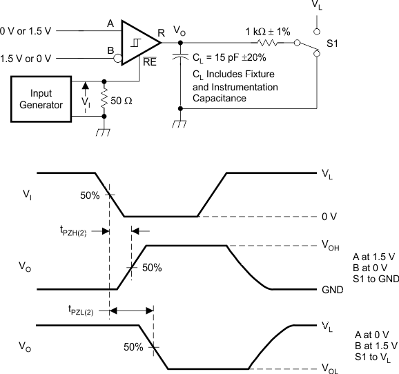
Input generator rate is 100 kbps, 50% duty cycle, rise and fall times less than 6 nsec.
Figure 9. Measurement of Driver Differential Output Voltage with Common-Mode Load
Figure 10. Measurement of Driver Differential and Common-Mode Output with RS-485 Load
Figure 11. Measurement of Driver Differential Output Rise and Fall Times and Propagation Delays


Figure 14. Measurement of Receiver Output Rise and Fall Times and Propagation Delays
Figure 15. Measurement of Receiver Enable/Disable Times with Driver Enabled
Figure 16. Measurement of Receiver Enable Times with Driver Disabled