All parameters and waveforms are not
applicable to all devices.

CL includes probe and jig capacitance.
When measuring propagation delay times of 3-state outputs, switch S1 is
open.
Figure 7-1 Load circuit for
3-state and open-collector outputs
All input pulses are supplied by generators having the following
characteristics: PRR ≤ 10 MHz, tr = tf ≤ 2.5 ns, duty
cycle = 50%.
Figure 7-3 Voltage waveforms
Setup and hold times
The outputs are measured one at a time with one transition per
measurement.
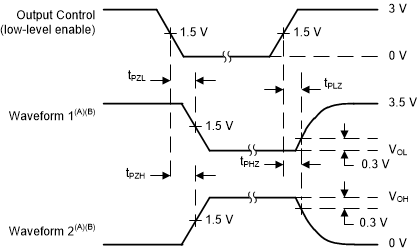
All input pulses are supplied by generators having the following
characteristics: PRR ≤ 10 MHz, tr = tf ≤ 2.5 ns, duty
cycle = 50%.
Figure 7-5 Voltage waveforms
Propagation delay times
CL includes probe and jig capacitance.
Figure 7-2 Load circuit for
push-pull outputs
All input pulses are supplied by generators having the following
characteristics: PRR ≤ 10 MHz, tr = tf ≤ 2.5 ns, duty
cycle = 50%.
Figure 7-4 Voltage waveforms
Pulse duration
The outputs are measured one at a time with one transition per
measurement.
Waveform 1 is for an output with internal conditions such that the output
is low except when disabled by the output control. Waveform 2 is for an
output with internal conditions such that the output is high except when
disabled by the output control.
Figure 7-6 Voltage waveforms
Enable and disable times, 3-state
outputs