ZHCSD18A March 2013 – October 2014 LP55231
PRODUCTION DATA.
NOTE
Information in the following applications sections is not part of the TI component specification, and TI does not warrant its accuracy or completeness. TI’s customers are responsible for determining suitability of components for their purposes. Customers should validate and test their design implementation to confirm system functionality.
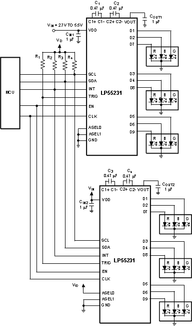
The LP55231 enables up to four parallel devices together, which can drive up to 12 RGB LEDs or 36 single LEDs. This diagram shows the connections for two LP55231 devices for six RGB LEDs. Note that D7, D8, and D9 outputs are used for the red LEDs. The SCL and SDA lines should each have a pullup resistor placed somewhere on the line (R3 and R4; The pullup resistors are normally located on the bus master.). In typical applications, values of 1.8 k to 4.7 k are used, depending on the bus capacitance, I/O voltage, and the desired communication speed. INT and TRIG are open-drain pins, so they need pullup resistors. Typical values for R1 and R2 are from 120 k to 18 0k for two devices.
Figure 27. LP55231 Application
| DESIGN PARAMETER | EXAMPLE VALUE |
|---|---|
| Input Voltage Range | 2.7 V to 5.5 V |
| LED VF (max) | 3.6V |
| LED Current | 25.5 mA max |
| Input Capacitor | CIN1 = CIN2 = 1 μF |
| Output Capacitor | COUT1 = COUT2 = 1 μF |
| Charge Pump Fly Capacitors | C1 = C2 = C3 = C4 = 0.47 μF |
| Charge pump mode | 1.5X or Automatic |
The LP55231 requires 4 external capacitors for proper operation. Surface-mount multi-layer ceramic capacitors are recommended. Tantalum and aluminium capacitors are not recommended because of their high ESR. For the flying capacitors (C1 and C2) multi-layer ceramic capacitors should always be used. These capacitors are small, inexpensive and have very low equivalent series resistance (ESR < 20 m typ.). Ceramic capacitors with X7R or X5R temperature characteristic are preferred for use with the LP55231. These capacitors have tight capacitance tolerance (as good as ±10%) and hold their value over temperature (X7R: ±15% over −55°C to 125°C; X5R: ±15% over −55°C to 85°C). Capacitors with Y5V or Z5U temperature characteristic are generally not recommended for use with the LP55231. Capacitors with these temperature characteristics typically have wide capacitance tolerance (80%, −20%) and vary significantly over temperature (Y5V: 22%, −82% over −30°C to 85°C range; Z5U: 22%, −56% over 10°C to 85°C range). Under some conditions, a nominal 1-µF Y5V or Z5U capacitor could have a capacitance of only 0.1 µF. Such detrimental deviation is likely to cause Y5V and Z5U capacitors to fail to meet the minimum capacitance requirements of the LP55231.
For proper operation it is necessary to have at least 0.24 μF of effective capacitance for each of the flying capacitors under all operating conditions. The output capacitor COUT directly affects the magnitude of the output ripple voltage. In general, the higher the value of COUT, the lower the output ripples magnitude. For proper operation it is recommended to have at least 0.50 μF of effective capacitance for CIN and COUT under all operating conditions. The voltage rating of all four capacitors should be 6.3 V; 10 V is recommended.
Table 8 lists suitable external components from some leading ceramic capacitor manufacturers. It is strongly recommended that the LP55231 circuit be thoroughly evaluated early in the design-in process with the mass-production capacitors of choice. This will help ensure that any variability in capacitance does not negatively impact circuit performance.
| MODEL | TYPE | VENDOR | VOLTAGE RATING (V) | PACKAGE SIZE |
|---|---|---|---|---|
| 1 µF for COUT and CIN | ||||
| C1005X5R1A105K | Ceramic X5R | TDK | 10 | 0402 |
| LMK105BJ105KV-F | Ceramic X5R | Taiyo Yuden | 10 | 0402 |
| ECJ0EB1A105M | Ceramic X5R | Panasonic | 10 | 0402 |
| ECJUVBPA105M | Ceramic X5R , array of two | Panasonic | 10 | 0504 |
| 0.47 µF for C1 and C2 | ||||
| C1005X5R1A474K | Ceramic X5R | TDK | 10V | 0402 |
| LMK105BJ474KV-F | Ceramic X5R | Taiyo Yuden | 10V | 0402 |
| ECJ0EB0J474K | Ceramic X5R | Panasonic | 6.3 | 0402 |
| LEDs | User defined. Note that D7, D8, and D9 outputs are powered from VDD when specifying the LEDs. | |||

| 1.5x To 1x | 6 LEDs At 1 mA / 100% PWM | |

| 1.5x To 1x | 6 LEDs At 1 mA / 100% PWM | |
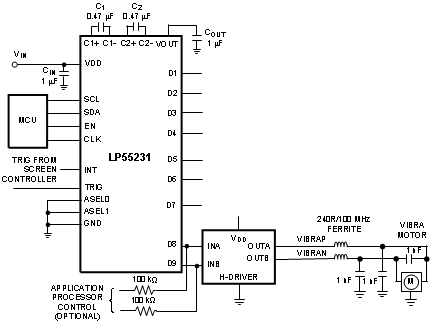
Figure 30 depicts an example schematic for LP55231 driving a vibra motor. A vibra motor can be used for haptic feedback with touch screens and also for normal vibra operation (call indication etc.). Battery-powered D8 and D9 outputs are used for controlling the H-Driver (Microchip TC442x-series or equivalent), which drives the vibra motor. (The remaining outputs D1 to D7 can be used for LED driving, of course.) With H-Driver the rotation direction of the vibra motor can be changed. For vibra operation user can load several programs to the LP55231 program memory in order to get interesting vibration effects, with changing frequency, “ramps”, etc.
Figure 30. LP55231 Haptic Feedback Application
If the application processor has controls for a vibra motor they can be connected to H-Driver INA and INB as shown in Figure 30. In this case the vibra can be controlled directly with application processor and also with LP55231. If application processor control is not needed, then the 100-kΩ resistors should be connected to GND.
A simple waveform for H-driver control is shown in Figure 31. At first the motor rotates in CW direction for 30 ms, following a rotation of 30 ms in CCW direction. The sequence is started when the TRIG signal is pulled down (active low signal). the TRIG signal is received from the touch screen controller. After the sequence is executed, the LP55231 will wait for another TRIG signal to start the sequence again. TRIG signal timing is not critical; it does not have to be pulled down for the whole sequence duration like in the example. For call indication, etc. purposes the program can be changed; for example, rotation times can be adjusted to get desired haptic reaction. Direct control of D8 and D9 output is also possible through the control registers, if programming is not desired.
Figure 31. Control Waveform
| DESIGN PARAMETER | EXAMPLE VALUE |
|---|---|
| Input Voltage Range | 2.7 V to 5.5 V |
| LED VF (max) | 3.6 V |
| LED Current | 25.5 mA max |
| Input Capacitor | CIN1 = 1 μF |
| Output Capacitor | COUT = 1 μF |
| Charge Pump Fly Capacitors | C1 = C2 = 0.47 μF |
| Charge pump mode | 1.5X or Automatic |
External component selection follows the earlier example (see Detailed Design Procedure above). H-Bridge should be selected to have high enough current capability for the vibra motor and control interface suitable for LP55231 LED outputs.
See Application Curves above.