SNOSB30P October 2008 – January 2015 LMH6554
PRODUCTION DATA.

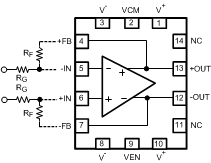
| PIN | I/O | DESCRIPTION | |
|---|---|---|---|
| NAME | NO. | ||
| -FB | 7 | O | Feedback from -OUT |
| +FB | 4 | O | Feedback from +OUT |
| +IN | 6 | I | Positive Input |
| -IN | 5 | I | Negative Input |
| NC | 11 | — | No Connection |
| NC | 14 | — | No Connection |
| -OUT | 12 | O | Negative Output |
| +OUT | 13 | O | Positive Output |
| VCM | 2 | I | Output Common Mode Voltage |
| VEN | 9 | I | Enable |
| V- | 3 | P | Negative Supply |
| V- | 8 | P | Negative Supply |
| V+ | 1 | P | Positive Supply |
| V+ | 10 | P | Positive Supply |