SNOSAK7D February 2005 – January 2015 LMH6551
PRODUCTION DATA.

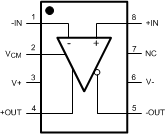
| PIN | I/O | DESCRIPTION | |
|---|---|---|---|
| NAME | NO. | ||
| -IN | 1 | I | Negative Input |
| VCM | 2 | I | Output Common-Mode Voltage |
| V+ | 3 | P | Positive Supply |
| +OUT | 4 | O | Positive Output |
| -OUT | 5 | O | Negative Output |
| V- | 6 | P | Negative Supply |
| NC | 7 | — | No Connection |
| +IN | 8 | I | Positive Input |