ZHCSUW0D March 1998 – February 2024 LMC660 , LMC662
PRODUCTION DATA
Generally, any circuit that operates with less than 1000pA of leakage current requires special layout of the printed circuit board (PCB). To take advantage of the ultra-low bias current of the LMC66x, typically less than 40fA, an excellent layout is essential. Fortunately, the techniques for obtaining low leakages are quite simple. First, do not ignore the surface leakage of the PCB, even though the leakage can sometimes appear acceptably low, because under conditions of high humidity or dust or contamination, the surface leakage can be appreciable.
To minimize the effect of any surface leakage, lay out a ring of foil completely surrounding the LMC66x inputs and the terminals of capacitors, diodes, conductors, resistors, relay terminals, and so on, connected to the op amp inputs. See Figure 6-16. To have a significant effect, place guard rings on both the top and bottom of the PCB. This PCB foil must then be connected to a voltage that is at the same voltage as the amplifier inputs, because no leakage current can flow between two points at the same potential. For example, a PCB trace-to-pad resistance of 1012Ω, which is normally considered a very large resistance, can leak 5pA if the trace were a 5V bus adjacent to the pad of an input. The leakage causes a 100 times degradation from the LMC66x actual performance. However, if a guard ring is held within 5mV of the inputs, then even a resistance of 1011Ω causes only 50fA of leakage current, or perhaps a minor (2:1) degradation of the amplifier performance. See Figure 6-17, Figure 6-18, and Figure 6-19 for typical connections of guard rings for standard op amp configurations. If both inputs are active and at high impedance, the guard can be tied to ground and still provide some protection; see Figure 6-20.
Figure 6-16 Example, Using the LMC660,
Figure 6-17 Guard Ring Connections: Inverting Amplifier
Figure 6-18 Guard Ring Connections: Non-Inverting Amplifier
Figure 6-19 Guard Ring Connections: Follower
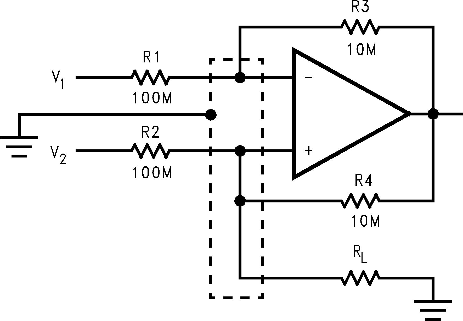
Figure 6-20 Guard Ring Connections: Howland Current PumpBe aware that when laying out a PCB for the sake of just a few circuits is inappropriate, there is another technique that is even better than a guard ring on a PCB. Do not insert the amplifier input pin into the board at all; instead, bend the pin up in the air and use only air as an insulator because air is an excellent insulator. In this case, some of the advantages of PCB construction are lost, but the advantages of air are sometimes well worth the effort of using point-to-point up-in-the-air wiring. See also Figure 6-21.
