SNVS449O June 2007 – April 2015 LM3668
PRODUCTION DATA.
The LM3668, a high-efficiency buck or boost DC-DC converter, delivers a constant voltage from either a single Li-Ion or three cell NIMH/NiCd battery to portable devices such as mobile phones and PDAs. Using a voltage mode architecture with synchronous rectification, the device has the ability to deliver up to 1 A, depending on the input voltage, output voltage, ambient temperature and the chosen inductor.
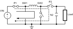
In addition, the device incorporates a seamless transition from buck-to-boost or boost-to-buck mode. The internal error amplifier continuously monitors the output to determine the transition from buck-to-boost or boost-to-buck operation. Figure 40 shows the four switches network used for the buck and boost operation. Table 1 summarizes the state of the switches in different modes.
There are three modes of operation depending on the current required: Pulse Width Modulation (PWM), Pulse Frequency Modulation (PFM), and shutdown. The device operates in PWM mode at load currents of approximately 80 mA or higher to improve efficiency. Lighter load current causes the device to automatically switch into PFM mode to reduce current consumption and extend battery life. Shutdown mode turns off the device, offering the lowest current consumption.
Figure 40. Simplified Diagram of Switches
| MODE | ALWAYS ON | ALWAYS OFF | SWITCHING |
|---|---|---|---|
| Buck | SW P2 | SW N2 | SW P1 & N1 |
| Boost | SW P1 | SW N1 | SW N2 & P2 |

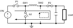
When the input voltage is greater than the output voltage, the device operates in buck mode where switch P2 is always ON and P1 and N1 control the output. Figure 41 shows the simplified circuit for buck mode operation.
Figure 41. Simplified Circuit for Buck Operation
When the input voltage is smaller than the output voltage, the device enters boost mode operation where P1 is always ON, while switches N2 and P2 control the output. Figure 42 shows the simplified circuit for boost mode operation.
Figure 42. Simplified Circuit for Boost Operation
While in PWM mode, the LM3668 uses an internal MOSFET as a synchronous rectifier to reduce rectifier forward voltage drop and associated power loss. Synchronous rectification provides a significant improvement in efficiency whenever the output voltage is relatively low compare to the voltage drop across an ordinary rectifier diode.
The LM3668 has current limit protection to prevent excessive stress on itself and external components during overload conditions. The internal current limit comparator will disable the power device at a typical switch peak current limit of 1.85 A (typ.).
The LM3668 has an UVP comparator to turn the power device off in case the input voltage or battery voltage is too low . The typical UVP threshold is around 2 V.
When the output of the LM3668 is shorted to GND, the current limit is reduced to about half of the typical current limit value until the short is removed.
When the EN pin is pulled low, P1 and P2 are off; N1 and N2 are turned on to pull SW1 and SW2 to ground.
The LM3668 has an internal thermal shutdown function to protect the die from excessive temperatures. The thermal shutdown trip point is typically 150°C; normal operation resumes when the temperature drops below 125°C.
The LM3668 has a soft-start circuit that smooth the output voltage and ramp current during start-up. During start-up the bandgap reference is slowly ramped up and switch current limit is reduced to half the typical value. Soft start is activated only if EN goes from logic low to logic high after VIN reaches 2.5 V. The start-up time thereby depends on the output capacitor and load current demanded at start-up. It is not recommended to start up the device at full load while in soft-start.
In PWM operation, the output voltage is regulated by switching at a constant frequency and then modulating the energy per cycle to control power to the load. In Normal operation, the internal error amplifier provides an error signal, Vc, from the feedback voltage and Vref. The error amplifier signal, Vc, is compared with a voltage, Vcenter, and used to generate the PWM signals for both buck & boost modes. Signal Vcenter is a DC signal which sets the transition point of the buck and boost modes. Below are three regions of operation:
The Buck-Boost operation is avoided, to improve the efficiency across VIN and load range.
Figure 43. PWM Generator Block Diagram
At very light loads, the converter enters PFM mode and operates with reduced switching frequency and supply current to maintain high efficiency. The part automatically transitions into PFM mode when either of two following conditions occur for a duration of 128 or more clock cycles:
A. The inductor current reaches zero.
B. The peak inductor current drops below the IMODE level, (Typically IMODE < 45 mA + VIN/80 Ω ).
In PFM operation, the compensation circuit in the error amplifier is turned off. The error amplifier works as a hysteretic comparator. The PFM comparator senses the output voltage via the feedback pin and controls the switching of the output FETs such that the output voltage ramps between ~0.8% and ~1.6% of the nominal PWM output voltage (Figure 44). If the output voltage is below the ‘high’ PFM comparator threshold, the P1 & P2 (Buck mode) or N2 & P1 (Boost mode) power switches are turned on. It remains on until the output voltage reaches the ‘high’ PFM threshold or the peak current exceeds the IPFM level set for PFM mode. The typical peak current in PFM mode is: IPFM = 220 mA
Once the P1 (Buck mode) or N2 (Boost mode) power switch is turned off, the N1 & P2 (Buck mode) or P1 & P2 (Boost mode) power switches are turned on until the inductor current ramps to zero. When the zero inductor current condition is detected, the N1(Buck mode) or P2 (Boost mode) power switches are turned off. If the output voltage is below the ‘high’ PFM comparator threshold, the P1 & P2 (Buck mode) or N2 & P1 (Boost mode) switches are again turned on and the cycle is repeated until the output reaches the desired level. Once the output reaches the ‘high’ PFM threshold, the N1 & P2 (Buck mode) or P1 & P2 (Boost mode) switches are turned on briefly to ramp the inductor current to zero, then both output switches are turned off and the part enters an extremely low power mode. Quiescent supply current during this ‘sleep’ mode is 45 µA (typ), which allows the part to achieve high efficiency under extremely light load conditions.
Figure 44. PFM to PWM Mode Transition
In addition to the auto mode transition, the LM3668 operates in PFM Buck or PFM Boost based on the following conditions. There is a small delta (approximately 500 mV) known as dv1 (approximately 200 mV) and dv2 (approximately 300 mV) when VOUT_TARGET is very close to VIN where the device can be in either Buck or Boost mode. For example, when VOUT_TARGET = 3.3 V and VIN is between 3.1 V and 3.6 V, the LM3668 can be in either mode depending on the VIN vs VOUT_TARGET.
Figure 45. VOUT vs VIN Transition
In the buck PFM operation, P2 is always turned on and N2 is always turned off , P1 and N1 power switches are switching. P1 and N1 are turned off to enter " sleep mode" when the output voltage reaches the "high" comparator threshold. In boost PFM operation, P2 and N2 are switching. P1 is turned on and N1 is turned off when the output voltage is below the "high" threshold. Unlike in buck mode, all four power switches are turned off to enter "sleep" mode when the output voltage reaches the "high" threshold in boost mode. In addition, the internal current sensing of the IPFM is used to determine the precise condition to switch over to buck or boost mode via the PFM generator.