ZHCSF02 April 2016 LDC1612-Q1 , LDC1614-Q1
PRODUCTION DATA.
Conductive objects brought in contact with an AC electromagnetic (EM) field will induce field changes that can be detected using a sensor such as an inductor. Conveniently, an inductor, along with a capacitor, can be used to construct an L-C resonator, also known as an L-C tank, which can be used to produce an EM field. In the case of an L-C tank, the effect of the field disturbance is an apparent shift in the inductance of the sensor, which can be observed as a shift in the resonant frequency. Using this principle, the LDC1612/1614 is an inductance-to-digital converter (LDC) that measures the oscillation frequency of an LC resonator. The device outputs a digital value that is proportional to frequency. This frequency measurement can be converted to an equivalent inductance.
Figure 10. Block Diagrams for the LDC1612 (Left) and LDC1614 (Right)
The LDC1612/LDC1614 is composed of front-end resonant circuit drivers, followed by a multiplexer that sequences through the active channels, connecting them to the core that measures and digitizes the sensor frequency (fSENSOR). The core uses a reference frequency (fREF) to measure the sensor frequency. fREF is derived from either an internal reference clock (oscillator), or an externally supplied clock. The digitized output for each channel is proportional to the ratio of fSENSOR/fREF. The I2C interface is used to support device configuration and to transmit the digitized frequency values to a host processor. The LDC can be placed in shutdown mode, saving current, using the SD pin. The INTB pin may be configured to notify the host of changes in system status.
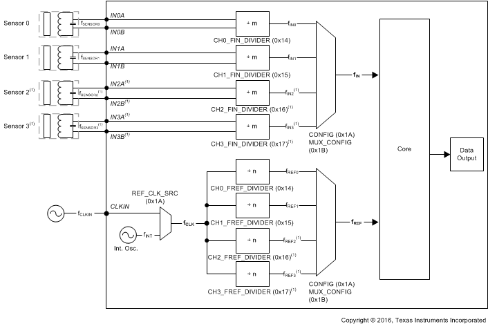
Figure 11 shows the clock dividers and multiplexers of the LDC.
Figure 11. Clocking Diagram
(1) LDC1614 only
In Figure 11, the key clocks are fIN, fREF, and fCLK. fCLK is selected from either the internal clock source or external clock source (CLKIN). The frequency measurement reference clock, fREF, is derived from the fCLK source. TI recommends that precision applications use an external master clock that offers the stability and accuracy requirements needed for the application. The internal oscillator may be used in applications that require low cost and do not require high precision. The fINx clock is derived from sensor frequency for a channel x, fSENSORx. fREFx and fINx must meet the requirements listed in Table 1, depending on whether fCLK (master clock) is the internal or external clock.
| MODE(1) | CLKIN SOURCE | VALID fREFx RANGE (MHz) | VALID fINx RANGE | SET CHx_FIN_DIVIDER to | SET CHx_SETTLECOUNT to | SET CHx_RCOUNT to |
|---|---|---|---|---|---|---|
| Multi-Channel | Internal | fREFx < 55 | < fREFx /4 | ≥ b0001 (2) | > 3 | > 8 |
| External | fREFx < 40 | |||||
| Single-Channel | Either external or internal | fREFx < 35 |
Table 2 shows the clock configuration registers for all channels.
| CHANNEL(1) | CLOCK | REGISTER | FIELD [ BIT(S) ] | VALUE |
|---|---|---|---|---|
| All | fCLK = Master Clock Source | CONFIG, addr 0x1A | REF_CLK_SRC [9] | b0 = internal oscillator is used as the master clock b1 = external clock source is used as the master clock |
| 0 | fREF0 | CLOCK_DIVIDERS_CH0, addr 0x14 | CH0_FREF_DIVIDER [9:0] | fREF0 = fCLK / CH0_FREF_DIVIDER |
| 1 | fREF1 | CLOCK_DIVIDERS_CH1, addr 0x15 | CH1_FREF_DIVIDER [9:0] | fREF1 = fCLK / CH1_FREF_DIVIDER |
| 2 | fREF2 | CLOCK_DIVIDERS_CH2, addr 0x16 | CH2_FREF_DIVIDER [9:0] | fREF2 = fCLK / CH2_FREF_DIVIDER |
| 3 | fREF3 | CLOCK_DIVIDERS_CH3, addr 0x17 | CH3_FREF_DIVIDER [9:0] | fREF3 = fCLK / CH3_FREF_DIVIDER |
| 0 | fIN0 | CLOCK_DIVIDERS_CH0, addr 0x14 | CH0_FIN_DIVIDER [15:12] | fIN0 = fSENSOR0 / CH0_FIN_DIVIDER |
| 1 | fIN1 | CLOCK_DIVIDERS_CH1, addr 0x15 | CH1_FIN_DIVIDER [15:12] | fIN1 = fSENSOR1 / CH1_FIN_DIVIDER |
| 2 | fIN2 | CLOCK_DIVIDERS_CH2, addr 0x16 | CH2_FIN_DIVIDER [15:12] | fIN2 = fSENSOR2 / CH2_FIN_DIVIDER |
| 3 | fIN3 | CLOCK_DIVIDERS_CH3, addr 0x17 | CH3_FIN_DIVIDER [15:12] | fIN3 = fSENSOR3 / CH3_FIN_DIVIDER |
The multi-channel package of the LDC enables the user to save board space and support flexible system design. For example, temperature drift can often cause a shift in component values, resulting in a shift in resonant frequency of the sensor. Using a 2nd sensor as a reference provides the capability to cancel out a temperature shift. When operated in multi-channel mode, the LDC sequentially samples the active channels. In single channel mode, the LDC samples a single channel, which is selectable. Table 3 shows the registers and values that are used to configure either multi-channel or single channel modes.
| MODE | REGISTER | FIELD [ BIT(S) ] | VALUE(1) |
|---|---|---|---|
| Single channel | CONFIG, addr 0x1A | ACTIVE_CHAN [15:14] | 00 = chan 0 |
| 01 = chan 1 | |||
| 10 = chan 2 | |||
| 11 = chan 3 | |||
| MUX_CONFIG addr 0x1B | AUTOSCAN_EN [15] | 0 = continuous conversion on a single channel (default) | |
| Multi-channel | MUX_CONFIG addr 0x1B | AUTOSCAN_EN [15] | 1 = continuous conversion on multiple channels |
| MUX_CONFIG addr 0x1B | RR_SEQUENCE [14:13] | 00 = Ch0, Ch 1 | |
| 01 = Ch0, Ch 1, Ch 2 | |||
| 10 = Ch0, CH1, Ch2, Ch3 |
The digitized sensor measurement for each channel (DATAx) represents the ratio of the sensor frequency to the reference frequency:
The sensor frequency can be calculated from:

Table 4 shows the registers that contain the fixed point sample values for each channel.
| CHANNEL(2) | REGISTER(1) | FIELD NAME [ BITS(S) ] | VALUE(3)(4) |
|---|---|---|---|
| 0 | DATA_MSB_CH0, addr 0x00 | DATA0 [11:0] | 12 MSBs of the 28 bit result |
| DATA_LSB_CH0, addr 0x01 | DATA0 [15:0] | 16 LSBs of the 28 bit conversion result | |
| 1 | DATA_MSB_CH1, addr 0x02 | DATA1 [11:0] | 12 MSBs of the 28 bit result |
| DATA_LSB_CH1, addr 0x03 | DATA1 [15:0] | 16 LSBs of the 28 bit conversion result | |
| 2 | DATA_MSB_CH2, addr 0x04 | DATA2 [11:0] | 12 MSBs of the 28 bit result |
| DATA_LSB_CH2, addr 0x05 | DATA2 [15:0] | 16 LSBs of the 28 bit conversion result | |
| 3 | DATA_MSB_CH3, addr 0x06 | DATA3 [11:0] | 12 MSBs of the 28 bit result |
| DATA_LSB_CH3, addr 0x07 | DATA3 [15:0] | 16 LSBs of the 28 bit conversion result |
When the LDC sequences through the channels in multi-channel mode, the dwell time interval for each channel is the sum of 3 parts: sensor activation time + conversion time + channel switch delay.
The sensor activation time is the amount of settling time required for the sensor oscillation to stabilize, as shown in Figure 12. The settling wait time is programmable and should be set to a value that is long enough to allow stable oscillation. The settling wait time for channel x is given by:
Table 5 shows the registers and values for configuring the settling time for each channel.
Figure 12. Multi-channel Mode Sequencing
Figure 13. Single-channel Mode Sequencing
| CHANNEL(1) | REGISTER | FIELD | CONVERSION TIME(2) |
|---|---|---|---|
| 0 | SETTLECOUNT_CH0, addr 0x10 | CH0_SETTLECOUNT (15:0) | (CH0_SETTLECOUNT*16)/fREF0 |
| 1 | SETTLECOUNT_CH1, addr 0x11 | CH1_SETTLECOUNT (15:0) | (CH1_SETTLECOUNT*16)/fREF1 |
| 2 | SETTLECOUNT_CH2, addr 0x12 | CH2_SETTLECOUNT (15:0) | (CH2_SETTLECOUNT*16)/fREF2 |
| 3 | SETTLECOUNT_CH3, addr 0x13 | CH3_SETTLECOUNT (15:0) | (CH3_SETTLECOUNT*16)/fREF3 |
The SETTLECOUNT for any channel x must satisfy:
where

Round the result to the next highest integer (for example, if Equation 4 recommends a minimum value of 6.08, program the register to 7 or higher).
L, RP and C values can be obtained by using Texas Instrument’s WEBENCH® for the coil design.
The conversion time represents the number of reference clock cycles used to measure the sensor frequency. It is set by the CHx_RCOUNT register for the channel. The conversion time for any channel x is:
The reference count value must be chosen to support the required number of effective bits (ENOB). For details, refer to the application note Optimizing L Measurement Resolution for the LDC161x and LDC1101.
| CHANNEL | REGISTER | FIELD [ BIT(S) ] | CONVERSION TIME |
|---|---|---|---|
| 0 | RCOUNT_CH0, addr 0x08 | CH0_RCOUNT (15:0) | (CH0_RCOUNT*16)/fREF0 |
| 1 | RCOUNT_CH1, addr 0x09 | CH1_RCOUNT (15:0) | (CH1_RCOUNT*16)/fREF1 |
| 2 | RCOUNT_CH2, addr 0x0A | CH2_RCOUNT (15:0) | (CH2_RCOUNT*16)/fREF2 |
| 3 | RCOUNT_CH3, addr 0x0B | CH3_RCOUNT (15:0) | (CH3_RCOUNT*16)/fREF3 |
The typical channel switch delay time between the end of conversion and the beginning of sensor activation of the subsequent channel is:
The deterministic conversion time of the LDC allows data polling at a fixed interval. A data ready flag (DRDY) is also available for interrupt driven system designs (see the STATUS register description in Register Maps).
An offset value may be subtracted from each DATA value to compensate for a frequency offset or maximize the dynamic range of the sample data. The offset values should be < fSENSORx_MIN / fREFx. Otherwise, the offset might be so large that it masks the LSBs which are changing.
| CHANNEL | REGISTER | FIELD [ BIT(S) ] | VALUE |
|---|---|---|---|
| 0 | OFFSET_CH0, addr 0x0C | CH0_OFFSET [ 15:0 ] | fOFFSET0 = CH0_OFFSET * (fREF0/216) |
| 1 | OFFSET_CH1, addr 0x0D | CH1_OFFSET [ 15:0 ] | fOFFSET1 = CH1_OFFSET * (fREF1/216) |
| 2 | OFFSET_CH2, addr 0x0E | CH2_OFFSET [ 15:0 ] | fOFFSET2 = CH2_OFFSET * (fREF2/216) |
| 3 | OFFSET_CH3, addr 0x0F | CH3_OFFSET [ 15:0 ] | fOFFSET3 = CH3_OFFSET * (fREF3/216) |
The sensor frequency can be determined by:

where
The registers listed in Table 8 are used to control the sensor drive current. The recommendations listed in the last column of Table 8 should be followed.
Auto-calibration mode is used to determine the optimal sensor drive current for a fixed sensor design. This mode should only be used during system prototyping.
The auto-amplitude correction attempts to maintain the sensor oscillation amplitude between 1.2V and 1.8V by adjusting the sensor drive current between conversions. When auto-amplitude correction is enabled, the output data may show non-monotonic behavior due to an adjustment in drive current. Auto-amplitude correction is only recommended for low-precision applications.
A high sensor current drive mode can be enabled to drive sensor coils with > 1.5mA on channel 0, only in single channel mode. This feature can be used when the sensor RP is lower than 1kΩ. Set the HIGH_CURRENT_DRV register bit to b1 to enable this mode.
| CHANNEL(1) | REGISTER | FIELD [ BIT(S) ] | VALUE |
|---|---|---|---|
| All | CONFIG, addr 0x1A | SENSOR_ACTIVATE_SEL [11] | Sets current drive for sensor activation. Recommended value is b0 (Full Current mode). |
| RP_OVERRIDE_EN [12] | Set to b1 for normal operation (RP over ride enabled) | ||
| AUTO_AMP_DIS [10] | Disables Automatic amplitude correction. Set to b1 for normal operation (disabled) | ||
| 0 | CONFIG, addr 0x1A | HIGH_CURRENT_DRV [6] | b0 = normal current drive (1.5 mA) b1 = Increased current drive (> 1.5 mA) for Ch 0 in single channel mode only. Cannot be used in multi-channel mode. |
| 0 | DRIVE_CURRENT_CH0, addr 0x1E | CH0_IDRIVE [15:11] | Drive current used during the settling and conversion time for Ch. 0 (auto-amplitude correction must be disabled and RP over ride=1 ) |
| CH0_INIT_IDRIVE [10:6] | Initial drive current stored during auto-calibration. Not used for normal operation. | ||
| 1 | DRIVE_CURRENT_CH1, addr 0x1F | CH1_IDRIVE [15:11] | Drive current used during the settling and conversion time for Ch. 1 (auto-amplitude correction must be disabled and RP over ride=1 ) |
| CH1_INIT_IDRIVE [10:6] | Initial drive current stored during auto-calibration. Not used for normal operation. | ||
| 2 | DRIVE_CURRENT_CH2, addr 0x20 | CH2_IDRIVE [15:11] | Drive current used during the settling and conversion time for Ch. 2 (auto-amplitude correction must be disabled and RP over ride=1 ) |
| CH2_INIT_IDRIVE [10:6] | Initial drive current stored during auto-calibration. Not used for normal operation. | ||
| 3 | DRIVE_CURRENT_CH3, addr 0x21 | CH3_IDRIVE [15:11] | Drive current used during the settling and conversion time for Ch. 3 (auto-amplitude correction must be disabled and RP over ride=1 ) |
| CH3_INIT_IDRIVE [10:6] | Initial drive current stored during auto-calibration. Not used for normal operation. |
If the RP value of the sensor attached to channel x is known, Table 9 can be used to select the 5-bit value to be programmed into the CHx_IDRIVE field for the channel. If the measured RP (at maximum spacing between the sensor and the target) falls between two of the table values, use the current drive value associated with the lower RP from Table 9. All channels that use an identical sensor/target configuration should use the same IDRIVE value.
| MEASURED RP (kΩ) | CHx_IDRIVE REGISTER FIELD VALUE, BINARY (BITS [15:11] ) | NOMINAL CURRENT (μA) |
|---|---|---|
| 90.0 | b00000 | 16 |
| 77.6 | b00001 | 18 |
| 66.9 | b00010 | 20 |
| 57.6 | b00011 | 23 |
| 49.7 | b00100 | 28 |
| 42.8 | b00101 | 32 |
| 36.9 | b00110 | 40 |
| 31.8 | b00111 | 46 |
| 27.4 | b01000 | 52 |
| 23.3 | b01001 | 59 |
| 20.4 | b01010 | 72 |
| 17.6 | b01011 | 82 |
| 15.1 | b01100 | 95 |
| 13.0 | b01101 | 110 |
| 11.2 | b01110 | 127 |
| 9.7 | b01111 | 146 |
| 8.4 | b10000 | 169 |
| 7.2 | b10001 | 195 |
| 6.2 | b10010 | 212 |
| 5.4 | b10011 | 244 |
| 4.6 | b10100 | 297 |
| 4.0 | b10101 | 342 |
| 3.4 | b10110 | 424 |
| 3.0 | b10111 | 489 |
| 2.5 | b11000 | 551 |
| 2.2 | b11001 | 635 |
| 1.9 | b11010 | 763 |
| 1.6 | b11011 | 880 |
| 1.4 | b11100 | 1017 |
| 1.2 | b11101 | 1173 |
| 1.0 | b11110 | 1355 |
| 0.9 | b11111 | 1563 |
If the RP is not known, the following steps for auto-calibration can be used to configure the needed drive current, either during system prototyping, or during normal startup if feasible:
If the current drive results in the oscillation amplitude greater than 1.8V, the internal ESD clamping circuit will become active. This may cause the sensor frequency to shift so that the output values no longer represent a valid system state. If the current drive is set at a lower value, the SNR performance of the system will decrease, and at near zero target range, oscillations may completely stop, and the output sample values will be all zeroes.
The registers listed in Table 10 may be used to read device status.
| CHANNEL(1) | REGISTER | FIELDS [ BIT(S) ] | VALUES |
|---|---|---|---|
| All | STATUS, addr 0x18 | 12 fields are available that contain various status bits [ 15:0 ] | Refer to Register Maps section for a description of the individual status bits. |
| All | ERROR_CONFIG, addr 0x19 | 12 fields are available that are used to configure error reporting [ 15:0 ] | Refer to Register Maps section for a description of the individual error configuration bits. |
See the STATUS and ERROR_CONFIG register description in the Register Map section. These registers can be configured to trigger an interrupt on the INTB pin for certain events. The following conditions must be met:
When a bit field in the STATUS register is set, the entire STATUS register content is held until read or until the DATA_MSB_CHx register is read. Reading also de-asserts INTB.
Interrupts are cleared by one of the following events:
Setting register CONFIG.INTB_DIS to b1 disables the INTB function and holds the INTB pin high.
The input deglitch filter suppresses EMI and ringing above the sensor frequency. It does not impact the conversion result as long as its bandwidth is configured to be above the maximum sensor frequency. The input deglitch filter can be configured in MUX_CONFIG.DEGLITCH register field as shown in Table 11. For optimal performance, TI recommends to select the lowest setting that exceeds the sensor oscillation frequency. For example, if the maximum sensor frequency is 2.0 MHz, choose MUX_CONFIG.DEGLITCH = b100 (3.3 MHz).
| CHANNEL(1) | MUX_CONFIG.DEGLITCH REGISTER VALUE | DEGLITCH FREQEUNCY |
|---|---|---|
| ALL | 001 | 1 MHz |
| ALL | 100 | 3.3 MHz |
| ALL | 101 | 10 MHz |
| ALL | 011 | 33 MHz |
When the LDC powers up, it enters into Sleep Mode and will wait for configuration. Once the device is configured, exit Sleep Mode by setting CONFIG.SLEEP_MODE_EN to b0.
TI recommends to configure the LDC while in Sleep Mode. If a setting on the LDC needs to be changed, return the device to Sleep Mode, change the appropriate register, and then exit Sleep Mode.
When operating in the normal (conversion) mode, the LDC is periodically sampling the frequency of the sensor(s) and generating sample outputs for the active channel(s).
Sleep Mode is entered by setting the CONFIG.SLEEP_MODE_EN register field to 1. While in this mode, the device configuration is maintained. To exit Sleep Mode, set the CONFIG.SLEEP_MODE_EN register field to 0. After setting CONFIG.SLEEP_MODE_EN to b0, sensor activation for the first conversion will begin after 16,384 fINT clock cycles. While in Sleep Mode the I2C interface is functional so that register reads and writes can be performed. While in Sleep Mode, no conversions are performed. In addition, entering Sleep Mode will clear conversion results, any error condition and de-assert the INTB pin.
When the SD pin is set to high, the LDC will enter Shutdown Mode. Shutdown Mode is the lowest power state. To exit Shutdown Mode, set the SD pin to low. Entering Shutdown Mode will return all registers to their default state.
While in Shutdown Mode, no conversions are performed. In addition, entering Shutdown Mode will clear any error condition and de-assert the INTB pin. While the device is in Shutdown Mode, is not possible to read to or write from the device via the I2C interface.
The LDC can be reset by writing to RESET_DEV.RESET_DEV. Any active conversion will stop and all register values will return to their default value. This register bit will always return 0b when read.
The LDC device uses an I2C interface to access control and data registers.
The LDC uses an extended start sequence with I2C for register access. The maximum speed of the I2C interface is 400kbit/s. This sequence follows the standard I2C 7bit slave address followed by an 8bit pointer register byte to set the register address. When the ADDR pin is set low, the LDC I2C address is 0x2A; when the ADDR pin is set high, the LDC I2C address is 0x2B. The ADDR pin must not change state after the LDC exits Shutdown Mode.
Figure 14. I2C Write Register Sequence
Figure 15. I2C Read Register Sequence
Fields indicated with Reserved must be written only with indicated values, otherwise improper device operation may occur. The R/W column indicates the Read-Write status of the corresponding field. A ‘R/W’ entry indicates read and write capability, a ‘R’ indicates read-only, and a ‘W’ indicates write-only.
| ADDRESS | NAME | DEFAULT VALUE | DESCRIPTION |
|---|---|---|---|
| 0x00 | DATA_MSB_CH0 | 0x0000 | Channel 0 MSB Conversion Result and Error Status |
| 0x01 | DATA_LSB_CH0 | 0x0000 | Channel 0 LSB Conversion Result. Must be read after Register address 0x00. |
| 0x02 | DATA_MSB_CH1 | 0x0000 | Channel 1 MSB Conversion Result and Error Status. |
| 0x03 | DATA_LSB_CH1 | 0x0000 | Channel 1 LSB Conversion Result. Must be read after Register address 0x02. |
| 0x04 | DATA_MSB_CH2 | 0x0000 | Channel 2 MSB Conversion Result and Error Status. (LDC1614 only) |
| 0x05 | DATA_LSB_CH2 | 0x0000 | Channel 2 LSB Conversion Result. Must be read after Register address 0x04.(LDC1614 only) |
| 0x06 | DATA_MSB_CH3 | 0x0000 | Channel 3 MSB Conversion Result and Error Status. (LDC1614 only) |
| 0x07 | DATA_LSB_CH3 | 0x0000 | Channel 3 LSB Conversion Result. Must be read after Register address 0x06. (LDC1614 only) |
| 0x08 | RCOUNT_CH0 | 0x0080 | Reference Count setting for Channel 0 |
| 0x09 | RCOUNT_CH1 | 0x0080 | Reference Count setting for Channel 1 |
| 0x0A | RCOUNT_CH2 | 0x0080 | Reference Count setting for Channel 2. (LDC1614 only) |
| 0x0B | RCOUNT_CH3 | 0x0080 | Reference Count setting for Channel 3.(LDC1614 only) |
| 0x0C | OFFSET_CH0 | 0x0000 | Offset value for Channel 0 |
| 0x0D | OFFSET_CH1 | 0x0000 | Offset value for Channel 1 |
| 0x0E | OFFSET_CH2 | 0x0000 | Offset value for Channel 2 (LDC1614 only) |
| 0x0F | OFFSET_CH3 | 0x0000 | Offset value for Channel 3 (LDC1614 only) |
| 0x10 | SETTLECOUNT_CH0 | 0x0000 | Channel 0 Settling Reference Count |
| 0x11 | SETTLECOUNT_CH1 | 0x0000 | Channel 1 Settling Reference Count |
| 0x12 | SETTLECOUNT_CH2 | 0x0000 | Channel 2 Settling Reference Count (LDC1614 only) |
| 0x13 | SETTLECOUNT_CH3 | 0x0000 | Channel 3 Settling Reference Count (LDC1614 only) |
| 0x14 | CLOCK_DIVIDERS_CH0 | 0x0000 | Reference and Sensor Divider settings for Channel 0 |
| 0x15 | CLOCK_DIVIDERS_CH1 | 0x0000 | Reference and Sensor Divider settings for Channel 1 |
| 0x16 | CLOCK_DIVIDERS_CH2 | 0x0000 | Reference and Sensor Divider settings for Channel 2 (LDC1614 only) |
| 0x17 | CLOCK_DIVIDERS_CH3 | 0x0000 | Reference and Sensor Divider settings for Channel 3 (LDC1614 only) |
| 0x18 | STATUS | 0x0000 | Device Status Report |
| 0x19 | ERROR_CONFIG | 0x0000 | Error Reporting Configuration |
| 0x1A | CONFIG | 0x2801 | Conversion Configuration |
| 0x1B | MUX_CONFIG | 0x020F | Channel Multiplexing Configuration |
| 0x1C | RESET_DEV | 0x0000 | Reset Device |
| 0x1E | DRIVE_CURRENT_CH0 | 0x0000 | Channel 0 sensor current drive configuration |
| 0x1F | DRIVE_CURRENT_CH1 | 0x0000 | Channel 1 sensor current drive configuration |
| 0x20 | DRIVE_CURRENT_CH2 | 0x0000 | Channel 2 sensor current drive configuration (LDC1614 only) |
| 0x21 | DRIVE_CURRENT_CH3 | 0x0000 | Channel 3 sensor current drive configuration (LDC1614 only) |
| 0x7E | MANUFACTURER_ID | 0x5449 | Manufacturer ID |
| 0x7F | DEVICE_ID | 0x3055 | Device ID |
| 15 | 14 | 13 | 12 | 11 | 10 | 9 | 8 |
| CH0_ERR_UR | CH0_ERR_OR | CH0_ERR_WD | CH0_ERR_AE | DATA0[27:16] | |||
| 7 | 6 | 5 | 4 | 3 | 2 | 1 | 0 |
| DATA0[27:16] | |||||||
| LEGEND: R/W = Read/Write; R = Read only; -n = value after reset |
| Bit | Field | Type | Reset | Description |
|---|---|---|---|---|
| 15 | CH0_ERR_UR | R | 0 | Channel 0 Conversion Under-range Error Flag. Cleared by reading the bit. |
| 14 | CH0_ERR_OR | R | 0 | Channel 0 Conversion Over-range Error Flag. Cleared by reading the bit. |
| 13 | CH0_ERR_WD | R | 0 | Channel 0 Conversion Watchdog Timeout Error Flag. Cleared by reading the bit. |
| 12 | CH0_ERR_AE | R | 0 | Channel 0 Conversion Amplitude Error Flag. Cleared by reading the bit. |
| 11:0 | DATA0[27:16] | R | 0000 0000 0000 | Channel 0 MSB Conversion Result (MSB) |
| 15 | 14 | 13 | 12 | 11 | 10 | 9 | 8 |
| DATA_CH0[15:0] | |||||||
| 7 | 6 | 5 | 4 | 3 | 2 | 1 | 0 |
| DATA_CH0[15:0] | |||||||
| LEGEND: R/W = Read/Write; R = Read only; -n = value after reset |
| Bit | Field | Type | Reset | Description |
|---|---|---|---|---|
| 15:0 | DATA0[15:0] | R | 0000 0000 0000 0000 | Channel 0 LSB Conversion Result (LSB). This register must be read after DATA_MSB_CH0 to ensure data coherency. |
| 15 | 14 | 13 | 12 | 11 | 10 | 9 | 8 |
| CH1_ERR_UR | CH1_ERR_OR | CH1_ERR_WD | CH1_ERR_AE | DATA1[27:16] | |||
| 7 | 6 | 5 | 4 | 3 | 2 | 1 | 0 |
| DATA1[27:16] | |||||||
| LEGEND: R/W = Read/Write; R = Read only; -n = value after reset |
| Bit | Field | Type | Reset | Description |
|---|---|---|---|---|
| 15 | CH1_ERR_UR | R | 0 | Channel 1 Conversion Under-range Error Flag. Cleared by reading the bit. |
| 14 | CH1_ERR_OR | R | 0 | Channel 1 Conversion Over-range Error Flag. Cleared by reading the bit. |
| 13 | CH1_ERR_WD | R | 0 | Channel 1 Conversion Watchdog Timeout Error Flag. Cleared by reading the bit. |
| 12 | CH1_ERR_AE | R | 0 | Channel 1 Conversion Amplitude Error Flag. Cleared by reading the bit. |
| 11:0 | DATA1[27:16] | R | 0000 0000 0000 | Channel 1 MSB Conversion Result (MSB) |
| 15 | 14 | 13 | 12 | 11 | 10 | 9 | 8 |
| DATA_CH1[15:0] | |||||||
| 7 | 6 | 5 | 4 | 3 | 2 | 1 | 0 |
| DATA_CH1[15:0] | |||||||
| LEGEND: R/W = Read/Write; R = Read only; -n = value after reset |
| Bit | Field | Type | Reset | Description |
|---|---|---|---|---|
| 15:0 | DATA1[15:0] | R | 0000 0000 0000 0000 | Channel 1 LSB Conversion Result (LSB). This register must be read after DATA_MSB_CH1 to ensure data coherency. |
| 15 | 14 | 13 | 12 | 11 | 10 | 9 | 8 |
| CH2_ERR_UR | CH2_ERR_OR | CH2_ERR_WD | CH2_ERR_AE | DATA2[27:16] | |||
| 7 | 6 | 5 | 4 | 3 | 2 | 1 | 0 |
| DATA2[27:16] | |||||||
| LEGEND: R/W = Read/Write; R = Read only; -n = value after reset |
| Bit | Field | Type | Reset | Description |
|---|---|---|---|---|
| 15 | CH2_ERR_UR | R | 0 | Channel 2 Conversion Under-range Error Flag. Cleared by reading the bit. |
| 14 | CH2_ERR_OR | R | 0 | Channel 2 Conversion Over-range Error Flag. Cleared by reading the bit. |
| 13 | CH2_ERR_WD | R | 0 | Channel 2 Conversion Watchdog Timeout Error Flag. Cleared by reading the bit. |
| 12 | CH2_ERR_AE | R | 0 | Channel 2 Conversion Amplitude Error Flag. Cleared by reading the bit. |
| 11:0 | DATA2[27:16] | R | 0000 0000 0000 | Channel 2 MSB Conversion Result (MSB) |
| 15 | 14 | 13 | 12 | 11 | 10 | 9 | 8 |
| DATA_CH2[15:0] | |||||||
| 7 | 6 | 5 | 4 | 3 | 2 | 1 | 0 |
| DATA_CH2[15:0] | |||||||
| LEGEND: R/W = Read/Write; R = Read only; -n = value after reset |
| Bit | Field | Type | Reset | Description |
|---|---|---|---|---|
| 15:0 | DATA2[15:0] | R | 0000 0000 0000 0000 | Channel 2 LSB Conversion Result (LSB). This register must be read after DATA_MSB_CH2 to ensure data coherency. |
| 15 | 14 | 13 | 12 | 11 | 10 | 9 | 8 |
| CH3_ERR_UR | CH3_ERR_OR | CH3_ERR_WD | CH3_ERR_AE | DATA3[27:16] | |||
| 7 | 6 | 5 | 4 | 3 | 2 | 1 | 0 |
| DATA3[27:16] | |||||||
| LEGEND: R/W = Read/Write; R = Read only; -n = value after reset |
| Bit | Field | Type | Reset | Description |
|---|---|---|---|---|
| 15 | CH3_ERR_UR | R | 0 | Channel 3 Conversion Under-range Error Flag. Cleared by reading the bit. |
| 14 | CH3_ERR_OR | R | 0 | Channel 3 Conversion Over-range Error Flag. Cleared by reading the bit. |
| 13 | CH3_ERR_WD | R | 0 | Channel 3 Conversion Watchdog Timeout Error Flag. Cleared by reading the bit. |
| 12 | CH3_ERR_AE | R | 0 | Channel 3 Conversion Amplitude Error Flag. Cleared by reading the bit. |
| 11:0 | DATA3[27:16] | R | 0000 0000 0000 | Channel 3 MSB Conversion Result (MSB) |
| 15 | 14 | 13 | 12 | 11 | 10 | 9 | 8 |
| DATA_CH3[15:0] | |||||||
| 7 | 6 | 5 | 4 | 3 | 2 | 1 | 0 |
| DATA_CH3[15:0] | |||||||
| LEGEND: R/W = Read/Write; R = Read only; -n = value after reset |
| Bit | Field | Type | Reset | Description |
|---|---|---|---|---|
| 15:0 | DATA3[15:0] | R | 0000 0000 0000 0000 | Channel 3 LSB Conversion Result (LSB). This register must be read after DATA_MSB_CH3 to ensure data coherency. |
| 15 | 14 | 13 | 12 | 11 | 10 | 9 | 8 |
| CH0_RCOUNT | |||||||
| 7 | 6 | 5 | 4 | 3 | 2 | 1 | 0 |
| CH0_RCOUNT | |||||||
| LEGEND: R/W = Read/Write; R = Read only; -n = value after reset |
| Bit | Field | Type | Reset | Description |
|---|---|---|---|---|
| 15:0 | CH0_RCOUNT | R/W | 0000 0000 1000 0000 | Channel 0 Reference Count Conversion Interval Time 0x0000-0x0004: Reserved 0x0005-0xFFFF: Conversion Time (tC0) = (CH0_RCOUNT?16)/fREF0 |
| 15 | 14 | 13 | 12 | 11 | 10 | 9 | 8 |
| CH1_RCOUNT | |||||||
| 7 | 6 | 5 | 4 | 3 | 2 | 1 | 0 |
| CH1_RCOUNT | |||||||
| LEGEND: R/W = Read/Write; R = Read only; -n = value after reset |
| Bit | Field | Type | Reset | Description |
|---|---|---|---|---|
| 15:0 | CH1_RCOUNT | R/W | 0000 0000 1000 0000 | Channel 1 Reference Count Conversion Interval Time 0x0000-0x0004: Reserved 0x0005-0xFFFF: Conversion Time (tC1)= (CH1_RCOUNT?16)/fREF1 |
| 15 | 14 | 13 | 12 | 11 | 10 | 9 | 8 |
| CH2_RCOUNT | |||||||
| 7 | 6 | 5 | 4 | 3 | 2 | 1 | 0 |
| CH2_RCOUNT | |||||||
| LEGEND: R/W = Read/Write; R = Read only; -n = value after reset |
| Bit | Field | Type | Reset | Description |
|---|---|---|---|---|
| 15:0 | CH2_RCOUNT | R/W | 0000 0000 1000 0000 | Channel 2 Reference Count Conversion Interval Time 0x0000-0x0004: Reserved 0x0005-0xFFFF: Conversion Time (tC2)= (CH2_RCOUNT?16)/fREF2 |
| 15 | 14 | 13 | 12 | 11 | 10 | 9 | 8 |
| CH3_RCOUNT | |||||||
| 7 | 6 | 5 | 4 | 3 | 2 | 1 | 0 |
| CH3_RCOUNT | |||||||
| LEGEND: R/W = Read/Write; R = Read only; -n = value after reset |
| Bit | Field | Type | Reset | Description |
|---|---|---|---|---|
| 15:0 | CH3_RCOUNT | R/W | 0000 0000 1000 0000 | Channel 3 Reference Count Conversion Interval Time 0x0000-0x0004: Reserved 0x0005-0xFFFF: Conversion Time (tC3)= (CH3_RCOUNT?16)/fREF3 |
| 15 | 14 | 13 | 12 | 11 | 10 | 9 | 8 |
| CH0_OFFSET | |||||||
| 7 | 6 | 5 | 4 | 3 | 2 | 1 | 0 |
| CH0_OFFSET | |||||||
| LEGEND: R/W = Read/Write; R = Read only; -n = value after reset |
| Bit | Field | Type | Reset | Description |
|---|---|---|---|---|
| 15:0 | CH0_OFFSET | R/W | 0000 0000 0000 0000 | Channel 0 Conversion Offset. fOFFSET_0 = (CH0_OFFSET/216)*fREF0 |
| 15 | 14 | 13 | 12 | 11 | 10 | 9 | 8 |
| CH1_OFFSET | |||||||
| 7 | 6 | 5 | 4 | 3 | 2 | 1 | 0 |
| CH1_OFFSET | |||||||
| LEGEND: R/W = Read/Write; R = Read only; -n = value after reset |
| Bit | Field | Type | Reset | Description |
|---|---|---|---|---|
| 15:0 | CH1_OFFSET | R/W | 0000 0000 0000 0000 | Channel 1 Conversion Offset. fOFFSET_1 = (CH1_OFFSET/216)*fREF1 |
| 15 | 14 | 13 | 12 | 11 | 10 | 9 | 8 |
| CH2_OFFSET | |||||||
| 7 | 6 | 5 | 4 | 3 | 2 | 1 | 0 |
| CH2_OFFSET | |||||||
| LEGEND: R/W = Read/Write; R = Read only; -n = value after reset |
| Bit | Field | Type | Reset | Description |
|---|---|---|---|---|
| 15:0 | CH2_OFFSET | R/W | 0000 0000 0000 0000 | Channel 2 Conversion Offset. fOFFSET_2 = (CH2_OFFSET/216)*fREF2 |
| 15 | 14 | 13 | 12 | 11 | 10 | 9 | 8 |
| CH3_OFFSET | |||||||
| 7 | 6 | 5 | 4 | 3 | 2 | 1 | 0 |
| CH3_OFFSET | |||||||
| LEGEND: R/W = Read/Write; R = Read only; -n = value after reset |
| Bit | Field | Type | Reset | Description |
|---|---|---|---|---|
| 15:0 | CH3_OFFSET | R/W | 0000 0000 0000 0000 | Channel 3 Conversion Offset. fOFFSET_3 = (CH3_OFFSET/216)*fREF3 |
| 15 | 14 | 13 | 12 | 11 | 10 | 9 | 8 |
| CH0_SETTLECOUNT | |||||||
| 7 | 6 | 5 | 4 | 3 | 2 | 1 | 0 |
| CH0_SETTLECOUNT | |||||||
| LEGEND: R/W = Read/Write; R = Read only; -n = value after reset |
| Bit | Field | Type | Reset | Description |
|---|---|---|---|---|
| 15:0 | CH0_SETTLECOUNT | R/W | 0000 0000 0000 0000 | Channel 0 Conversion Settling The LDC will use this settling time to allow the LC sensor to stabilize before initiation of a conversion on Channel 0. If the amplitude has not settled prior to the conversion start, an Amplitude error will be generated if reporting of this type of error is enabled. 0x0000: Settle Time (tS0)= 32 ÷ fREF0 0x0001: Settle Time (tS0)= 32 ÷ fREF0 0x0002- 0xFFFF: Settle Time (tS0)= (CH0_SETTLECOUNT?16) ÷ fREF0 |
| 15 | 14 | 13 | 12 | 11 | 10 | 9 | 8 |
| CH1_SETTLECOUNT | |||||||
| 7 | 6 | 5 | 4 | 3 | 2 | 1 | 0 |
| CH1_SETTLECOUNT | |||||||
| LEGEND: R/W = Read/Write; R = Read only; -n = value after reset |
| Bit | Field | Type | Reset | Description |
|---|---|---|---|---|
| 15:0 | CH1_SETTLECOUNT | R/W | 0000 0000 0000 0000 | Channel 1 Conversion Settling The LDC will use this settling time to allow the LC sensor to stabilize before initiation of a conversion on a Channel 1. If the amplitude has not settled prior to the conversion start, an Amplitude error will be generated if reporting of this type of error is enabled. 0x0000: Settle Time (tS1)= 32 ÷ fREF1 0x0001: Settle Time (tS1)= 32 ÷ fREF1 0x0002- 0xFFFF: Settle Time (tS1)= (CH1_SETTLECOUNT?16) ÷ fREF1 |
| 15 | 14 | 13 | 12 | 11 | 10 | 9 | 8 |
| CH2_SETTLECOUNT | |||||||
| 7 | 6 | 5 | 4 | 3 | 2 | 1 | 0 |
| CH2_SETTLECOUNT | |||||||
| LEGEND: R/W = Read/Write; R = Read only; -n = value after reset |
| Bit | Field | Type | Reset | Description |
|---|---|---|---|---|
| 15:0 | CH2_SETTLECOUNT | R/W | 0000 0000 0000 0000 | Channel 2 Conversion Settling The LDC will use this settling time to allow the LC sensor to stabilize before initiation of a conversion on Channel 2. If the amplitude has not settled prior to the conversion start, an Amplitude error will be generated if reporting of this type of error is enabled. 0x0000: Settle Time (tS2)= 32 ÷ fREF2 0x0001: Settle Time (tS2)= 32 ÷ fREF2 0x0002- 0xFFFF: Settle Time (tS2)= (CH2_SETTLECOUNT?16) ÷ fREF2 |
| 15 | 14 | 13 | 12 | 11 | 10 | 9 | 8 |
| CH3_SETTLECOUNT | |||||||
| 7 | 6 | 5 | 4 | 3 | 2 | 1 | 0 |
| CH3_SETTLECOUNT | |||||||
| LEGEND: R/W = Read/Write; R = Read only; -n = value after reset |
| Bit | Field | Type | Reset | Description |
|---|---|---|---|---|
| 15:0 | CH3_SETTLECOUNT | R/W | 0000 0000 0000 0000 | Channel 3 Conversion Settling The LDC will use this settling time to allow the LC sensor to stabilize before initiation of a conversion on Channel 3. If the amplitude has not settled prior to the conversion start, an Amplitude error will be generated if reporting of this type of error is enabled 0x0000: Settle Time (tS3)= 32 ÷ fREF3 0x0001: Settle Time (tS3)= 32 ÷ fREF3 0x0002- 0xFFFF: Settle Time (tS3)= (CH3_SETTLECOUNT?16) ÷ fREF3 |
| 15 | 14 | 13 | 12 | 11 | 10 | 9 | 8 |
| CH0_FIN_DIVIDER | RESERVED | CH0_FREF_DIVIDER | |||||
| 7 | 6 | 5 | 4 | 3 | 2 | 1 | 0 |
| CH0_FREF_DIVIDER | |||||||
| LEGEND: R/W = Read/Write; R = Read only; -n = value after reset |
| Bit | Field | Type | Reset | Description |
|---|---|---|---|---|
| 15:12 | CH0_FIN_DIVIDER | R/W | 0000 | Channel 0 Input Divider Sets the divider for Channel 0 input. Must be set to ≥2 if the Sensor frequency is ≥ 8.75MHz b0000: Reserved. Do not use. CH0_FIN_DIVIDER≥b0001: fin0 = fSENSOR0/CH0_FIN_DIVIDER |
| 11:10 | RESERVED | R/W | 00 | Reserved. Set to b00. |
| 9:0 | CH0_FREF_DIVIDER | R/W | 00 0000 0000 | Channel 0 Reference Divider Sets the divider for Channel 0 reference. Use this to scale the maximum conversion frequency. b00’0000’0000: Reserved. Do not use. CH0_FREF_DIVIDER≥b00’0000’0001: fREF0 = fCLK/CH0_FREF_DIVIDER |
| 15 | 14 | 13 | 12 | 11 | 10 | 9 | 8 |
| CH1_FIN_DIVIDER | RESERVED | CH1_FREF_DIVIDER | |||||
| 7 | 6 | 5 | 4 | 3 | 2 | 1 | 0 |
| CH1_FREF_DIVIDER | |||||||
| LEGEND: R/W = Read/Write; R = Read only; -n = value after reset |
| Bit | Field | Type | Reset | Description |
|---|---|---|---|---|
| 15:12 | CH1_FIN_DIVIDER | R/W | 0000 | Channel 1 Input Divider. Sets the divider for Channel 1 input. Used when the Sensor frequency is greater than the maximum FIN. b0000: Reserved. Do not use. CH1_FIN_DIVIDER≥b0001: fin1 = fSENSOR1/CH1_FIN_DIVIDER |
| 11:10 | RESERVED | R/W | 00 | Reserved. Set to b00. |
| 9:0 | CH1_FREF_DIVIDER | R/W | 00 0000 0000 | Channel 1 Reference Divider. Sets the divider for Channel 1 reference. Use this to scale the maximum conversion frequency. b00’0000’0000: Reserved. Do not use. CH1_FREF_DIVIDER≥ b00’0000’0001: fREF1 = fCLK/CH1_FREF_DIVIDER |
| 15 | 14 | 13 | 12 | 11 | 10 | 9 | 8 |
| CH2_FIN_DIVIDER | RESERVED | CH2_FREF_DIVIDER | |||||
| 7 | 6 | 5 | 4 | 3 | 2 | 1 | 0 |
| CH2_FREF_DIVIDER | |||||||
| LEGEND: R/W = Read/Write; R = Read only; -n = value after reset |
| Bit | Field | Type | Reset | Description |
|---|---|---|---|---|
| 15:12 | CH2_FIN_DIVIDER | R/W | 0000 | Channel 2 Input Divider. Sets the divider for Channel 2 input. Must be set to ≥2 if the Sensor frequency is ≥ 8.75MHz. b0000: Reserved. Do not use. CH2_FIN_DIVIDER≥b0001: fIN2 = fSENSOR2/CH2_FIN_DIVIDER |
| 11:10 | RESERVED | R/W | 00 | Reserved. Set to b00 |
| 9:0 | CH2_FREF_DIVIDER | R/W | 00 0000 0000 | Channel 2 Reference Divider. Sets the divider for Channel 2 reference. Use this to scale the maximum conversion frequency. b00’0000’0000: Reserved. Do not use. CH2_FREF_DIVIDER ≥ b00’0000’0001: fREF2 = fCLK/CH2_FREF_DIVIDER |
| 15 | 14 | 13 | 12 | 11 | 10 | 9 | 8 |
| CH3_FIN_DIVIDER | RESERVED | CH3_FREF_DIVIDER | |||||
| 7 | 6 | 5 | 4 | 3 | 2 | 1 | 0 |
| CH3_FREF_DIVIDER | |||||||
| LEGEND: R/W = Read/Write; R = Read only; -n = value after reset |
| Bit | Field | Type | Reset | Description |
|---|---|---|---|---|
| 15:12 | CH3_FIN_DIVIDER | R/W | 0000 | Channel 3 Input Divider. Sets the divider for Channel 3 input. Must be set to ≥2 if the Sensor frequency is ≥ 8.75MHz. b0000: Reserved. Do not use. CH3_FIN_DIVIDER≥b0001: fIN3 = fSENSOR3/CH3_FIN_DIVIDER |
| 11:10 | RESERVED | R/W | 00 | Reserved. Set to b00 |
| 9:0 | CH3_FREF_DIVIDER | R/W | 00 0000 0000 | Channel 3 Reference Divider. Sets the divider for Channel 3 reference. Use this to scale the maximum conversion frequency. b00’0000’0000: reserved CH3_FREF_DIVIDER ≥ b00’0000’0001: fREF3 = fCLK/CH3_FREF_DIVIDER |
| 15 | 14 | 13 | 12 | 11 | 10 | 9 | 8 |
| ERR_CHAN | ERR_UR | ERR_OR | ERR_WD | ERR_AHE | ERR_ALE | ERR_ZC | |
| 7 | 6 | 5 | 4 | 3 | 2 | 1 | 0 |
| RESERVED | DRDY | RESERVED | CH0_UNREADCONV | CH1_ UNREADCONV | CH2_ UNREADCONV | CH3_ UNREADCONV | |
| LEGEND: R/W = Read/Write; R = Read only; -n = value after reset |
| Bit | Field | Type | Reset | Description |
|---|---|---|---|---|
| 15:14 | ERR_CHAN | R | 00 | Error Channel Indicates which channel has generated a Flag or Error. Once flagged, any reported error is latched and maintained until either the STATUS register or the DATA_MSB_CHx register corresponding to the Error Channel is read. b00: Channel 0 is source of flag or error. b01: Channel 1 is source of flag or error. b10: Channel 2 is source of flag or error (LDC1614 only). b11: Channel 3 is source of flag or error (LDC1614 only). |
| 13 | ERR_UR | R | 0 | Conversion Under-range Error b0: No Conversion Under-range error was recorded since the last read of the STATUS register. b1: An active channel has generated a Conversion Under-range error. Refer to STATUS.ERR_CHAN field to determine which channel is the source of this error. |
| 12 | ERR_OR | R | 0 | Conversion Over-range Error. b0: No Conversion Over-range error was recorded since the last read of the STATUS register. b1: An active channel has generated a Conversion Over-range error. Refer to STATUS.ERR_CHAN field to determine which channel is the source of this error. |
| 11 | ERR_WD | R | 0 | Watchdog Timeout Error b0: No Watchdog Timeout error was recorded since the last read of the STATUS register. b1: An active channel has generated a Watchdog Timeout error. Refer to STATUS.ERR_CHAN field to determine which channel is the source of this error. |
| 10 | ERR_AHE | R | 0 | Amplitude High Error b0: No Amplitude High error was recorded since the last read of the STATUS register. b1: An active channel has generated an Amplitude High error. Refer to STATUS.ERR_CHAN field to determine which channel is the source of this error. |
| 9 | ERR_ALE | R | 0 | Amplitude Low Error b0: No Amplitude Low error was recorded since the last read of the STATUS register. b1: An active channel has generated an Amplitude Low error. Refer to STATUS.ERR_CHAN field to determine which channel is the source of this error. |
| 8 | ERR_ZC | R | 0 | Zero Count Error b0: No Zero Count error was recorded since the last read of the STATUS register. b1: An active channel has generated a Zero Count error. Refer to STATUS.ERR_CHAN field to determine which channel is the source of this error. |
| 6 | DRDY | R | 0 | Data Ready Flag. b0: No new conversion result was recorded in the STATUS register. b1: A new conversion result is ready. When in Single Channel Conversion, this indicates a single conversion is available. When in sequential mode, this indicates that a new conversion result for all active channels is now available. |
| 3 | CH0_UNREADCONV | R | 0 | Channel 0 Unread Conversion b0: No unread conversion is present for Channel 0. b1: An unread conversion is present for Channel 0. Read Register DATA_CH0 to retrieve conversion results. |
| 2 | CH1_ UNREADCONV | R | 0 | Channel 1 Unread Conversion b0: No unread conversion is present for Channel 1. b1: An unread conversion is present for Channel 1. Read Register DATA_CH1 to retrieve conversion results. |
| 1 | CH2_ UNREADCONV | R | 0 | Channel 2 Unread Conversion b0: No unread conversion is present for Channel 2. b1: An unread conversion is present for Channel 2. Read Register DATA_CH2 to retrieve conversion results (LDC1614 only) |
| 0 | CH3_ UNREADCONV | R | 0 | Channel 3 Unread Conversion b0: No unread conversion is present for Channel 3. b1: An unread conversion is present for Channel 3. Read Register DATA_CH3 to retrieve conversion results (LDC1614 only) |
| 15 | 14 | 13 | 12 | 11 | 10 | 9 | 8 |
| UR_ERR2OUT | OR_ERR2OUT | WD_ ERR2OUT | AH_ERR2OUT | AL_ERR2OUT | RESERVED | ||
| 7 | 6 | 5 | 4 | 3 | 2 | 1 | 0 |
| UR_ERR2INT | OR_ERR2INT | WD_ERR2INT | AH_ERR2INT | AL_ERR2INT | ZC_ERR2INT | Reserved | DRDY_2INT |
| LEGEND: R/W = Read/Write; R = Read only; -n = value after reset |
| Bit | Field | Type | Reset | Description |
|---|---|---|---|---|
| 15 | UR_ERR2OUT | R/W | 0 | Under-range Error to Output Register b0: Do not report Under-range errors in the DATA_CHx registers. b1: Report Under-range errors in the DATA_CHx.CHx_ERR_UR register field corresponding to the channel that generated the error. |
| 14 | OR_ERR2OUT | R/W | 0 | Over-range Error to Output Register b0: Do not report Over-range errors in the DATA_CHx registers. b1: Report Over-range errors in the DATA_CHx.CHx_ERR_OR register field corresponding to the channel that generated the error. |
| 13 | WD_ ERR2OUT | R/W | 0 | Watchdog Timeout Error to Output Register b0: Do not report Watchdog Timeout errors in the DATA_CHx registers. b1: Report Watchdog Timeout errors in the DATA_CHx.CHx_ERR_WD register field corresponding to the channel that generated the error. |
| 12 | AH_ERR2OUT | R/W | 0 | Amplitude High Error to Output Register b0:Do not report Amplitude High errors in the DATA_CHx registers. b1: Report Amplitude High errors in the DATA_CHx.CHx_ERR_AE register field corresponding to the channel that generated the error. |
| 11 | AL_ERR2OUT | R/W | 0 | Amplitude Low Error to Output Register b0: Do not report Amplitude High errors in the DATA_CHx registers. b1: Report Amplitude High errors in the DATA_CHx.CHx_ERR_AE register field corresponding to the channel that generated the error. |
| 7 | UR_ERR2INT | R/W | 0 | Under-range Error to INTB b0: Do not report Under-range errors by asserting INTB pin and STATUS register. b1: Report Under-range errors by asserting INTB pin and updating STATUS.ERR_UR register field. |
| 6 | OR_ERR2INT | R/W | 0 | Over-range Error to INTB b0: Do not report Over-range errors by asserting INTB pin and STATUS register. b1: Report Over-range errors by asserting INTB pin and updating STATUS.ERR_OR register field. |
| 5 | WD_ERR2INT | R/W | 0 | Watchdog Timeout Error to INTB b0: Do not report Under-range errors by asserting INTB pin and STATUS register. b1: Report Watchdog Timeout errors by asserting INTB pin and updating STATUS.ERR_WD register field. |
| 4 | AH_ERR2INT | R/W | 0 | Amplitude High Error to INTB b0: Do not report Amplitude High errors by asserting INTB pin and STATUS register. b1: Report Amplitude High errors by asserting INTB pin and updating STATUS.ERR_AHE register field. |
| 3 | AL_ERR2INT | R/W | 0 | Amplitude Low Error to INTB b0: Do not report Amplitude Low errors by asserting INTB pin and STATUS register. b1: Report Amplitude Low errors by asserting INTB pin and updating STATUS.ERR_ALE register field. |
| 2 | ZC_ERR2INT | R/W | 0 | Zero Count Error to INTB b0: Do not report Zero Count errors by asserting INTB pin and STATUS register. b1: Report Zero Count errors by asserting INTB pin and updating STATUS. ERR_ZC register field. |
| 1 | Reserved | R/W | 0 | Reserved (set to b0) |
| 0 | DRDY_2INT | R/W | 0 | Data Ready Flag to INTB b0: Do not report Data Ready Flag by asserting INTB pin and STATUS register. b1: Report Data Ready Flag by asserting INTB pin and updating STATUS. DRDY register field. |
| 15 | 14 | 13 | 12 | 11 | 10 | 9 | 8 |
| ACTIVE_CHAN | SLEEP_MODE_EN | RP_OVERRIDE_EN | SENSOR_ACTIVATE_SEL | AUTO_AMP_DIS | REF_CLK_SRC | RESERVED | |
| 7 | 6 | 5 | 4 | 3 | 2 | 1 | 0 |
| INTB_DIS | HIGH_CURRENT_DRV | RESERVED | |||||
| LEGEND: R/W = Read/Write; R = Read only; -n = value after reset |
| Bit | Field | Type | Reset | Description |
|---|---|---|---|---|
| 15:14 | ACTIVE_CHAN | R/W | 00 | Active Channel Selection Selects channel for continuous conversions when MUX_CONFIG.SEQUENTIAL is 0. b00: Perform continuous conversions on Channel 0 b01: Perform continuous conversions on Channel 1 b10: Perform continuous conversions on Channel 2 (LDC1614 only) b11: Perform continuous conversions on Channel 3 (LDC1614 only) |
| 13 | SLEEP_MODE_EN | R/W | 1 | Sleep Mode Enable Enter or exit low power Sleep Mode. b0: Device is active. b1: Device is in Sleep Mode. |
| 12 | RP_OVERRIDE_EN | R/W | 0 | Sensor RP Override Enable Provides control over Sensor current drive used during the conversion time for Ch. x, based on the programmed value in the CHx_IDRIVE field. b0: Override off b1: RP Override on |
| 11 | SENSOR_ACTIVATE_SEL | R/W | 1 | Sensor Activation Mode Selection. Set the mode for sensor initialization. b0: Full Current Activation Mode – the LDC will drive maximum sensor current for a shorter sensor activation time. b1: Low Power Activation Mode – the LDC uses the value programmed in DRIVE_CURRENT_CHx during sensor activation to minimize power consumption. |
| 10 | AUTO_AMP_DIS | R/W | 0 | Automatic Sensor Amplitude Correction Disable Setting this bit will disable the automatic Amplitude correction algorithm and stop the updating of the CHx_INIT_IDRIVE field. b0: Automatic Amplitude correction enabled b1: Automatic Amplitude correction is disabled. Recommended for precision applications. |
| 9 | REF_CLK_SRC | R/W | 0 | Select Reference Frequency Source b0: Use Internal oscillator as reference frequency b1: Reference frequency is provided from CLKIN pin. |
| 8 | RESERVED | R/W | 0 | Reserved. Set to b0. |
| 7 | INTB_DIS | R/W | 0 | INTB Disable b0: INTB pin will be asserted when status register updates. b1: INTB pin will not be asserted when status register updates |
| 6 | HIGH_CURRENT_DRV | R/W | 0 | High Current Sensor Drive b0: The LDC will drive all channels with normal sensor current (1.5mA max). b1: The LDC will drive channel 0 with current >1.5mA. This mode is not supported if AUTOSCAN_EN = b1 (multi-channel mode) |
| 5:0 | RESERVED | R/W | 00 0001 | Reserved Set to b00’0001 |
| 15 | 14 | 13 | 12 | 11 | 10 | 9 | 8 |
| AUTOSCAN_EN | RR_SEQUENCE | RESERVED | |||||
| 7 | 6 | 5 | 4 | 3 | 2 | 1 | 0 |
| RESERVED | DEGLITCH | ||||||
| LEGEND: R/W = Read/Write; R = Read only; -n = value after reset |
| Bit | Field | Type | Reset | Description |
|---|---|---|---|---|
| 15 | AUTOSCAN_EN | R/W | 0 | Auto-Scan Mode Enable b0: Continuous conversion on the single channel selected by CONFIG.ACTIVE_CHAN register field. b1: Auto-Scan conversions as selected by MUX_CONFIG.RR_SEQUENCE register field. |
| 14:13 | RR_SEQUENCE | R/W | 00 | Auto-Scan Sequence Configuration Configure multiplexing channel sequence. The LDC will perform a single conversion on each channel in the sequence selected, and then restart the sequence continuously. b00: Ch0, Ch1 b01: Ch0, Ch1, Ch2 (LDC1614 only) b10: Ch0, Ch1, Ch2, Ch3 (LDC1614 only) b11: Ch0, Ch1 |
| 12:3 | RESERVED | R/W | 00 0100 0001 | Reserved. Must be set to 00 0100 0001 |
| 2:0 | DEGLITCH | R/W | 111 | Input deglitch filter bandwidth. Select the lowest setting that exceeds the oscillation tank oscillation frequency. b001: 1MHz b100: 3.3MHz b101: 10MHz b111: 33MHz |
| 15 | 14 | 13 | 12 | 11 | 10 | 9 | 8 |
| RESET_DEV | RESERVED | ||||||
| 7 | 6 | 5 | 4 | 3 | 2 | 1 | 0 |
| RESERVED | |||||||
| LEGEND: R/W = Read/Write; R = Read only; -n = value after reset |
| Bit | Field | Type | Reset | Description |
|---|---|---|---|---|
| 15 | RESET_DEV | R/W | 0 | Device Reset Write b1 to reset the device. Will always readback 0. |
| 14:0 | RESERVED | R/W | 000 0000 0000 0000 | Reserved |
| 15 | 14 | 13 | 12 | 11 | 10 | 9 | 8 |
| CH0_IDRIVE | CH0_INIT_IDRIVE | ||||||
| 7 | 6 | 5 | 4 | 3 | 2 | 1 | 0 |
| CH0_INIT_IDRIVE | RESERVED | ||||||
| LEGEND: R/W = Read/Write; R = Read only; -n = value after reset |
| Bit | Field | Type | Reset | Description |
|---|---|---|---|---|
| 15:11 | CH0_IDRIVE | R/W | 0 0000 | Channel 0 L-C Sensor drive current This field defines the Drive Current used during the settling + conversion time of Channel 0 sensor clock. RP_OVERRIDE_EN bit must be set to 1. |
| 10:6 | CH0_INIT_IDRIVE | R | 0 0000 | Channel 0 Sensor Current Drive This field stores the Initial Drive Current calculated during the initial Amplitude Calibration phase. It is updated after each Amplitude Correction phase of the sensor clock if the AUTO_AMP_DIS field is NOT set. |
| 5:0 | RESERVED | – | 00 0000 | Reserved |
| 15 | 14 | 13 | 12 | 11 | 10 | 9 | 8 |
| CH1_IDRIVE | CH1_INIT_IDRIVE | ||||||
| 7 | 6 | 5 | 4 | 3 | 2 | 1 | 0 |
| CH1_INIT_IDRIVE | RESERVED | ||||||
| LEGEND: R/W = Read/Write; R = Read only; -n = value after reset |
| Bit | Field | Type | Reset | Description |
|---|---|---|---|---|
| 15:11 | CH1_IDRIVE | R/W | 0 0000 | Channel 1 L-C Sensor drive current This field defines the Drive Current used during the settling + conversion time of Channel 1 sensor clock. RP_OVERRIDE_EN bit must be set to 1. |
| 10:6 | CH1_INIT_IDRIVE | R | 0 0000 | Channel 1 Sensor Current Drive This field stores the Initial Drive Current calculated during the initial Amplitude Calibration phase. It is updated after each Amplitude Correction phase of the sensor clock if the AUTO_AMP_DIS field is NOT set. |
| 5:0 | RESERVED | - | 00 0000 | Reserved |
| 15 | 14 | 13 | 12 | 11 | 10 | 9 | 8 |
| CH2_IDRIVE | CH2_INIT_IDRIVE | ||||||
| 7 | 6 | 5 | 4 | 3 | 2 | 1 | 0 |
| CH2_INIT_IDRIVE | RESERVED | ||||||
| LEGEND: R/W = Read/Write; R = Read only; -n = value after reset |
| Bit | Field | Type | Reset | Description |
|---|---|---|---|---|
| 15:11 | CH2_IDRIVE | R/W | 0 0000 | Channel 2 L-C Sensor drive current This field defines the Drive Current to be used during the settling + conversion time of Channel 2 sensor clock. RP_OVERRIDE_EN bit must be set to 1. |
| 10:6 | CH2_INIT_IDRIVE | R | 0 0000 | Channel 2 Sensor Current Drive This field stores the Initial Drive Current calculated during the initial Amplitude Calibration phase. It is updated after each Amplitude Correction phase of the sensor clock if the AUTO_AMP_DIS field is NOT set. |
| 5:0 | RESERVED | – | 00 0000 | Reserved |
| 15 | 14 | 13 | 12 | 11 | 10 | 9 | 8 |
| CH3_IDRIVE | CH3_INIT_IDRIVE | ||||||
| 7 | 6 | 5 | 4 | 3 | 2 | 1 | 0 |
| CH3_INIT_IDRIVE | RESERVED | ||||||
| LEGEND: R/W = Read/Write; R = Read only; -n = value after reset |
| Bit | Field | Type | Reset | Description |
|---|---|---|---|---|
| 15:11 | CH3_IDRIVE | R/W | 0 0000 | Channel 3 L-C Sensor drive current This field defines the Drive Current to be used during the settling + conversion time of Channel 3 sensor clock. RP_OVERRIDE_EN bit must be set to 1. |
| 10:6 | CH3_INIT_IDRIVE | R | 0 0000 | Channel 3 Sensor Current Drive This field stores the Initial Drive Current calculated during the initial Amplitude Calibration phase. It is updated after each Amplitude Correction phase of the sensor clock if the AUTO_AMP_DIS field is NOT set. |
| 5:0 | RESERVED | – | 00 0000 | Reserved |
| 15 | 14 | 13 | 12 | 11 | 10 | 9 | 8 |
| MANUFACTURER_ID | |||||||
| 7 | 6 | 5 | 4 | 3 | 2 | 1 | 0 |
| MANUFACTURER_ID | |||||||
| LEGEND: R/W = Read/Write; R = Read only; -n = value after reset |
| Bit | Field | Type | Reset | Description |
|---|---|---|---|---|
| 15:0 | MANUFACTURER_ID | R | 0101 0100 0100 1001 | Manufacturer ID = 0x5449 |
| 7 | 6 | 5 | 4 | 3 | 2 | 1 | 0 |
| DEVICE_ID | |||||||
| LEGEND: R/W = Read/Write; R = Read only; -n = value after reset |
| Bit | Field | Type | Reset | Description |
|---|---|---|---|---|
| 7:0 | DEVICE_ID | R | 0011 0000 0101 0101 | Device ID = 0x3055 |