ZHCS793C March 2012 – January 2021 INA282-Q1 , INA283-Q1 , INA284-Q1 , INA285-Q1 , INA286-Q1
PRODUCTION DATA
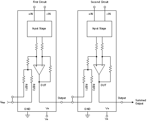
The outputs of multiple INA28x-Q1 family devices are easily summed by connecting the output of one INA28x-Q1 family device to the reference input of a second INA28x-Q1 family device. The circuit configuration shown in Figure 8-1 is an easy way to achieve current summing.
