ZHCSCZ2A July 2014 – September 2014 DS125BR820
PRODUCTION DATA.
| MIN | MAX | UNIT | ||
|---|---|---|---|---|
| Supply Voltage (VDD to GND, 2.5 V Mode) | -0.5 | +2.75 | V | |
| Supply Voltage (VIN to GND, 3.3 V Mode) | -0.5 | +4.0 | V | |
| LVCMOS Input/Output Voltage | -0.5 | +4.0 | V | |
| CML Input Voltage | -0.5 | VDD + 0.5 | V | |
| CML Input Current | -30 | +30 | mA | |
| MIN | MAX | UNIT | |||
|---|---|---|---|---|---|
| Tstg | Storage temperature range | -40 | 125 | °C | |
| Tsolder | Lead Temperature Range Soldering (4 sec.)(3) | 260 | °C | ||
| V(ESD) | Electrostatic discharge | Human body model (HBM), per ANSI/ESDA/JEDEC JS-001, all pins(1) | -4000 | 4000 | V |
| Charged device model (CDM), per JEDEC specification JESD22-C101, all pins(2) | -1000 | 1000 | |||
| MIN | TYP | MAX | UNIT | |
|---|---|---|---|---|
| Supply Voltage (2.5 V mode)(1) | 2.375 | 2.5 | 2.625 | V |
| Supply Voltage (3.3 V mode)(1) | 3.0 | 3.3 | 3.6 | V |
| Ambient Temperature | -40 | +85 | °C | |
| SMBus (SDA, SCL) | 3.6 | V | ||
| Supply Noise up to 50 MHz(1) | 100 | mVp-p |
| THERMAL METRIC(1) | DS125BR820 | UNIT | |
|---|---|---|---|
| WQFN | |||
| 54 PINS | |||
| RθJA | Junction-to-ambient thermal resistance | 26.6 | °C/W |
| RθJCtop | Junction-to-case (top) thermal resistance | 10.8 | |
| RθJB | Junction-to-board thermal resistance | 4.4 | |
| ψJT | Junction-to-top characterization parameter | 0.2 | |
| ψJB | Junction-to-board characterization parameter | 4.3 | |
| RθJCbot | Junction-to-case (bottom) thermal resistance | 1.5 | |
| PARAMETER | TEST CONDITIONS | MIN | TYP | MAX | UNIT | |
|---|---|---|---|---|---|---|
| POWER | ||||||
| IDD | Current Consumption, 2.5 V Mode | EQ = Level 4, VOD = Level 6 RXDET = 1, PWDN = 0 |
220 | 280 | mA | |
| Current Consumption, 3.3 V Mode | EQ = Level 4, VOD = Level 6 RXDET = 1, PWDN = 0 |
220 | 280 | mA | ||
| Power Down Current Consumption | PWDN = 1 | 14 | 27 | mA | ||
| VDD | Integrated LDO Regulator | VIN = 3.0 - 3.6 V | 2.375 | 2.5 | 2.625 | V |
| LVCMOS / LVTTL DC SPECIFICATIONS | ||||||
| VIH25 | High Level Input Voltage | 2.5 V Supply Mode | 1.7 | VDD | V | |
| VIH33 | High Level Input Voltage | 3.3 V Supply Mode | 1.7 | VIN | V | |
| VIL | Low Level Input Voltage | 0 | 0.7 | V | ||
| VOH | High Level Output Voltage (ALL_DONE pin) |
IOH = −4mA | 2.0 | V | ||
| VOL | Low Level Output Voltage (ALL_DONE pin) |
IOL = 4mA | 0.4 | V | ||
| IIH | Input High Current (PWDN pin) | VIN = 3.6 V, LVCMOS = 3.6 V |
-15 | +15 | µA | |
| IIL | Input Low Current (PWDN pin) | VIN = 3.6 V, LVCMOS = 0 V |
-15 | +15 | µA | |
| 4-LEVEL INPUT DC SPECIFICATIONS | ||||||
| IIH | Input High Current with internal resistors (4–level input pin) |
VIN = 3.6 V, LVCMOS = 3.6 V |
+20 | +150 | µA | |
| IIL | Input Low Current with internal resistors (4–level input pin) |
VIN = 3.6 V, LVCMOS = 0 V |
-160 | -40 | µA | |
| VTH | Voltage Threshold from Pin Mode Level 0 to R | VDD = 2.5 V (2.5 V supply mode) Internal LDO Disabled See Table 1 for details |
0.50 | V | ||
| Voltage Threshold from Pin Mode Level R to F | 1.25 | |||||
| Voltage Threshold from Pin Mode Level F to 1 | 2.00 | |||||
| Voltage Threshold from Pin Mode Level 0 to R | VIN = 3.3 V (3.3 V supply mode) Internal LDO Enabled See Table 1 for details. |
0.66 | V | |||
| Voltage Threshold from Pin Mode Level R to F | 1.65 | |||||
| Voltage Threshold from Pin Mode Level F to 1 | 2.64 | |||||
| CML RECEIVER INPUTS (IN_n+, IN_n-) | ||||||
| ZRx-DIFF-DC | Rx DC differential mode impedance | Tested at VDD = 2.5 V | 80 | 100 | 120 | Ω |
| ZRx-DC | Rx DC single ended impedance | Tested at VDD = 2.5 V | 40 | 50 | 60 | Ω |
| RLRx-DIFF | Rx Differential Input return loss | SDD11 10 MHz | -19 | dB | ||
| SDD11 2 GHz | -14 | |||||
| SDD11 6-11.1 GHz | -8 | |||||
| RLRx-CM | Rx Common mode return loss | SCC11 0.05 - 5 GHz | -10 | dB | ||
| VRx-ASSERT-DIFF-PP | Signal detect assert level for active data signal | SD_TH = F (float), 1010 pattern at 12 Gbps |
57 | mVp-p | ||
| VRx-DEASSERT-DIFF-PP | Signal detect de-assert for inactive signal level | SD_TH = F (float), 1010 pattern at 12 Gbps |
44 | mVp-p | ||
| HIGH SPEED OUTPUTS | ||||||
| RLTx-DIFF | Tx Differential return loss | SDD22 10 MHz - 2 GHz | -15 | dB | ||
| SDD22 5.5 GHz | -12 | |||||
| SDD22 11.1 GHz | -10 | dB | ||||
| RLTx-CM | Tx Common mode return loss | SCC22 50 MHz- 2.5 GHz | -8 | dB | ||
| ZTx-DIFF-DC | DC differential Tx impedance | 100 | Ω | |||
| ITx-SHORT | Transmitter short circuit current limit | Total current when output is shorted to VDD or GND | 20 | mA | ||
| VTx-CM-DC-LINE-DELTA | Absolute delta of DC common mode voltage between Tx+ and Tx- | 25 | mV | |||
| VTx-DIFF1-PP | Output Voltage Differential Swing | Differential measurement with OUT_n+ and OUT_n-, AC-Coupled and terminated by 50 Ω to GND, Inputs AC-Coupled, Measured with 8T Pattern at 12 Gbps(2) VID = 600 mVp-p VOD = Level 6(3)(4) |
615 | mVp-p | ||
| VTx-DIFF2-PP | Output Voltage Differential Swing | Differential measurement with OUT_n+ and OUT_n-, AC-Coupled and terminated by 50 Ω to GND, Inputs AC-Coupled, Measured with 8T Pattern at 12 Gbps(2) VID = 1000 mVp-p VOD = Level 6(3)(4) |
950 | mVp-p | ||
| VTx-DIFF3-PP | Output Voltage Differential Swing | Differential measurement with OUT_n+ and OUT_n-, AC-Coupled and terminated by 50 Ω to GND, Inputs AC-Coupled, Measured with 8T Pattern at 12 Gbps(2) VID = 1200 mVp-p VOD = Level 6(3)(4) |
1100 | mVp-p | ||
| TPDEQ | Differential propagation delay | EQ = Level 1 to Level 4 | 80 | ps | ||
| VTx-CM-AC-P | AC common mode voltage | VOD = Level 6, 12 Gbps | 20 | mV rms | ||
| VDISABLE-OUT | Tx disable output voltage | Driver disabled via PWDN | -30 | 1 | 30 | mVp-p |
| VOOB-IDLE | OOB idle output voltage | VID = 0 mVp-p | 15 | mVp-p | ||
| VOOB-OS-DELTA | OOB offset delta | OOB pattern, EQ = Level 1 VOD = Level 6 |
15 | mVp-p | ||
| VOOB-CM-DELTA | OOB common mode delta | OOB pattern, EQ = Level 1 VOD = Level 6 |
11 | mVp-p | ||
| TTx-IDLE-SET-TO-IDLE | Time to transition to idle after differential signal | VID = 1.0 Vp-p, 1.5 Gbps | 0.70 | ns | ||
| TTx-IDLE-TO-DIFF-DATA | Time to transition to valid differential signal after idle | VID = 1.0 Vp-p, 1.5 Gbps | 0.04 | ns | ||
| RJADD | Additive Random Jitter | Evaluation Module (EVM) Only, FR4, VID = 800 mVp-p, EQ = Level 1 PRBS15, 12 Gbps VOD = Level 6 All other channels active (5) |
0.36 | ps rms | ||
| EQUALIZATION | ||||||
| DJE1 | Residual deterministic jitter at 6 Gbps | 5” Differential Stripline, 5mil trace width, FR4, VID = 800 mVp-p, PRBS15, EQ = Level 2, VOD = Level 6 |
0.06 | UIp-p | ||
| DJE2 | Residual deterministic jitter at 12 Gbps | 5” Differential Stripline, 5mil trace width, FR4, VID = 800 mVp-p, PRBS15, EQ = Level 2, VOD = Level 6 |
0.12 | UIp-p | ||
| PARAMETER | TEST CONDITIONS | MIN | TYP | MAX | UNIT | |
|---|---|---|---|---|---|---|
| SERIAL BUS INTERFACE DC SPECIFICATIONS | ||||||
| VIL | Data, Clock Input Low Voltage | 0.8 | V | |||
| VIH | Data, Clock Input High Voltage | 2.1 | 3.6 | V | ||
| VOL | Output Low Voltage | SDA or SCL, IOL = 1.25 mA | 0 | 0.36 | V | |
| VDD | Nominal Bus Voltage | 2.375 | 3.6 | V | ||
| IIH-Pin | Input Leakage Per Device Pin | +20 | +150 | µA | ||
| IIL-Pin | Input Leakage Per Device Pin | -160 | -40 | µA | ||
| CI | Capacitance for SDA and SCL | See(1)(2) | < 5 | pF | ||
| RTERM | External Termination Resistance pull to VDD = 2.5 V ± 5% OR 3.3 V ± 10% | Pullup VDD = 3.3 V(1)(2)(3) | 2000 | Ω | ||
| Pullup VDD = 2.5 V(1)(2)(3) | 1000 | Ω | ||||
| PARAMETER | TEST CONDITIONS | MIN | TYP | MAX | UNIT | |
|---|---|---|---|---|---|---|
| SERIAL BUS INTERFACE TIMING SPECIFICATIONS | ||||||
| FSMB | Bus Operating Frequency | ENSMB = VDD (Slave Mode) | 400 | kHz | ||
| ENSMB = FLOAT (Master Mode) | 280 | 400 | 520 | kHz | ||
| tFALL | SCL or SDA Fall Time | Read operation RPU = 4.7 kΩ, Cb < 50 pF |
60 | ns | ||
| tRISE | SCL or SDA Rise Time | Read operation RPU = 4.7 kΩ, Cb < 50 pF |
140 | ns | ||
| tF | Clock/Data Fall Time | See(1) | 300 | ns | ||
| tR | Clock/Data Rise Time | See(1) | 1000 | ns | ||
| tPOR | Time in which a device must be operational after power-on reset | See(1) | 500 | ms | ||
Figure 1. Output Rise And Fall Transition Time
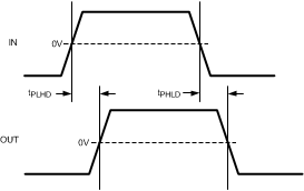
Figure 2. Propagation Delay Timing Diagram
Figure 3. Transmit Idle-Data and Data-Idle Response Time
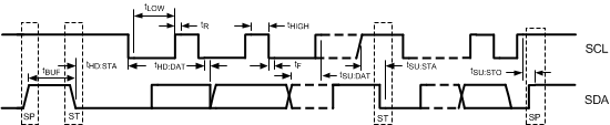
Figure 4. SMBus Timing Parameters

| EQ | Level 4 |
| VOD_DB | 000'b |
| T | 25°C |

| Data Rate, Test Pattern | 1.5625 Gbps, 1010 Pattern |
| VOD | Level 6 |
| EQ | Level 1 |
| VDD | 2.5 V |

| Data Rate, Test Pattern | 1.5625 Gbps, 1010 Pattern |
| VOD | Level 6 |
| EQ | Level 1 |
| T | 25°C |

| Data Rate, Test Pattern | 1.5625 Gbps, 1010 Pattern |
| EQ | Level 1 |
| T | 25°C |
| VDD | 2.5 V |