SLVSA74E May 2010 – September 2015 DRV8829
PRODUCTION DATA.
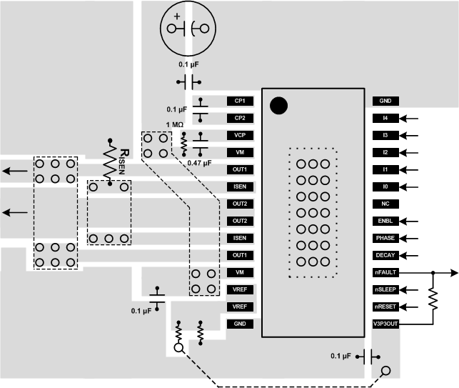
Each VM terminal must be bypassed to GND using a low-ESR ceramic bypass capacitors with recommended values of 0.1 μF rated for VM. These capacitors should be placed as close to the VM pins as possible with a thick trace or ground plane connection to the device GND pin.
The VM pin must be bypassed to ground using a bulk capacitor rated for VM. This component may be an electrolytic.
A low-ESR ceramic capacitor must be placed in between the CP1 and CP2 pins. TI recommends a value of 0.1 μF rated for VM . Place this component as close to the pins as possible.
A low-ESR ceramic capacitor must be placed in between the VM and VCP pins. TI recommends a value of 0.47 μF rated for 16 V. Place this component as close to the pins as possible. In addition, place a 1 MΩ between VM and VCP.
Bypass V3P3OUT to ground with a ceramic capacitor rated 6.3 V. Place this bypassing capacitor as close to the pin as possible.
The current sense resistor should be placed as close as possible to the device pins to minimize trace inductance between the pin and resistor.
Figure 10. Example Layout
The DRV8829 has thermal shutdown (TSD) as described above. If the die temperature exceeds approximately 150°C, the device will be disabled until the temperature drops to a safe level.
Any tendency of the device to enter TSD is an indication of either excessive power dissipation, insufficient heatsinking, or too high an ambient temperature.
Power dissipation in the DRV8829 is dominated by the power dissipated in the output FET resistance, or RDS(ON). Average power dissipation when running a stepper motor can be roughly estimated by Equation 3.

where
IOUT(RMS) is equal to the approximately 0.7x the full-scale output current setting.
The maximum amount of power that can be dissipated in the device is dependent on ambient temperature and heatsinking.
RDS(ON) increases with temperature, so as the device heats, the power dissipation increases. This must be taken into consideration when sizing the heatsink.
The PowerPAD™ package uses an exposed pad to remove heat from the device. For proper operation, this pad must be thermally connected to copper on the PCB to dissipate heat. On a multi-layer PCB with a ground plane, this can be accomplished by adding a number of vias to connect the thermal pad to the ground plane. On PCBs without internal planes, copper area can be added on either side of the PCB to dissipate heat. If the copper area is on the opposite side of the PCB from the device, thermal vias are used to transfer the heat between top and bottom layers.
For details about how to design the PCB, refer to TI application report SLMA002, "PowerPAD™ Thermally Enhanced Package" and TI application brief SLMA004, "PowerPAD™ Made Easy", available at www.ti.com.
In general, the more copper area that can be provided, the more power can be dissipated.