SLVSCC8A May 2014 – December 2014 TPS2513A-Q1 , TPS2514A-Q1
PRODUCTION DATA.
The TPS2513A-Q1 and TPS2514A-Q1 are USB dedicated charging port (DCP) controllers, used for the charging of most popular mobile phones and tablets. An auto-detect feature monitors USB data line voltage, and automatically provides the correct electrical signatures on the data lines to charge compliant devices among the following dedicated charging schemes:
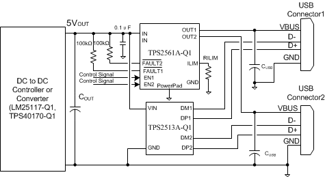
Use with the TPS2561A-Q1 and TPS2513A-Q1 (dual channel), TPS2557-Q1 and TPS2514A-Q1 (single channel) for low loss, automotive qualified, USB Charging Port Solution capable of charging all of today's popular phones and tablets.
| PART NUMBER | PACKAGE | BODY SIZE (NOM) |
|---|---|---|
| TPS2513A-Q1 | SOT-23 (6) | 2.90mm x 1.60mm |
| TPS2514A-Q1 |
