SLLS933G November 2008 – January 2015 SN65HVD233-HT
PRODUCTION DATA.
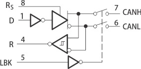
The SN65HVD233 is used in applications employing the controller area network (CAN) serial communication physical layer in accordance with the ISO 11898 standard, with the exception that the thermal shutdown is removed. As a CAN transceiver, the device provides transmit and receive capability between the differential CAN bus and a CAN controller, with signaling rates up to 1 Mbps.
Designed for operation in especially harsh environments, the device features cross wire, overvoltage, and loss-of-ground protection to ±36 V, with common-mode transient protection of ±100 V. This device operates over a –7-V to 12-V common-mode range with a maximum of 60 nodes on a bus.
If the common-mode range is restricted to the ISO 11898 standard range of –2 V to 7 V, up to 120 nodes may be connected on a bus. This transceiver interfaces the single-ended CAN controller with the differential CAN bus found in industrial, building automation, and automotive applications.
| PART NUMBER | PACKAGE | BODY SIZE (NOM) |
|---|---|---|
| SN65HVD233-HT | SOIC (8) | 4.90 mm x 3.91 mm |
| CFP-HKJ (8) | 6.90 mm x 5.65 mm | |
| CFP-HKQ (8) | 6.90 mm x 5.65 mm | |
| CDIP SB (8) | 40.64 mm x 10.04 mm |

Changes from F Revision (August 2012) to G Revision