SNIS187A March 2015 – July 2015 LMT70 , LMT70A
PRODUCTION DATA.
The LMT70 is an ultra-small, high-precision, low-power CMOS analog temperature sensor with an output enable pin. Applications for the LMT70 include virtually any type of temperature sensing where cost-effective, high precision and low-power are required, such as Internet of Things (IoT) sensor nodes, medical thermometers, high-precision instrumentation and battery powered devices. The LMT70 is also a great replacement for RTD and precision NTC/PTC thermistors.
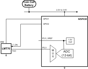
Its output enable pin allows multiple LMT70s to share one ADC channel, thus simplifying ADC calibration and reducing the overall system cost for precision temperature sensing. The LMT70 also has a linear and low impedance output allowing seamless interface to an off-the-shelf MCU/ADC. Dissipating less than 36µW, the LMT70 has ultra-low self-heating supporting its high-precision over a wide temperature range.
The LMT70A provides unparalleled temperature matching performance of 0.1°C (max) for two adjacent LMT70A's picked from the same tape and reel. Therefore, the LMT70A is an ideal solution for energy metering applications requiring heat transfer calculations.
| PART NUMBER | PACKAGE | BODY SIZE (NOM) |
|---|---|---|
| LMT70 | DSBGA - WLCSP (4) YFQ | 0.88 mm x 0.88 mm |

