SNVS587L September 2008 – November 2014 LM22676 , LM22676-Q1
PRODUCTION DATA.
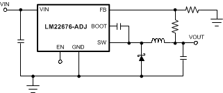
The LM22676 switching regulator provides all of the functions necessary to implement an efficient high voltage step-down (buck) regulator using a minimum of external components. This easy to use regulator incorporates a 42 V N-channel MOSFET switch capable of providing up to 3 A of load current. Excellent line and load regulation along with high efficiency (> 90%) are featured. Voltage mode control offers short minimum on-time, allowing the widest ratio between input and output voltages. Internal loop compensation means that the user is free from the tedious task of calculating the loop compensation components. Fixed 5 V output and adjustable output voltage options are available. A switching frequency of 500 kHz allows for small external components and good transient response. A precision enable input allows simplification of regulator control and system power sequencing. In shutdown mode the regulator draws only 25 µA (typ). Built in soft-start (500 µs, typ) saves external components. The LM22676 also has built in thermal shutdown, and current limiting to protect against accidental overloads.
The LM22676 is a member of Texas Instruments' SIMPLE SWITCHER® family. The SIMPLE SWITCHER® concept provides for an easy to use complete design using a minimum number of external components and the TI WEBENCH® design tool. TI's WEBENCH® tool includes features such as external component calculation, electrical simulation, thermal simulation, and Build-It boards for easy design-in.
| PART NUMBER | PACKAGE | BODY SIZE (NOM) |
|---|---|---|
| LM22676, LM22676-Q1 |
HSOP (8) | 4.89 mm x 3.90 mm |
| TO-263 (3) | 10.16 mm x 9.85 mm |
