SNOSCY0 March 2014 LDC1051
PRODUCTION DATA.
Inductive sensing is a contactless, short-range sensing technology enabling high-resolution and low-cost position sensing of conductive targets, even in harsh environments. Using a coil or spring as a sensor, the LDC1051 inductance-to-digital converter provides system designers a way to achieve high performance and reliability at a lower system cost than other competing solutions.
The LDC1051 is pin compatible with the LDC1000 (16-bit Rp/24-bit L) and the LDC1041 (8-bit Rp/24-bit L). This family of devices offers system designers different resolution options based on their application and system requirements.
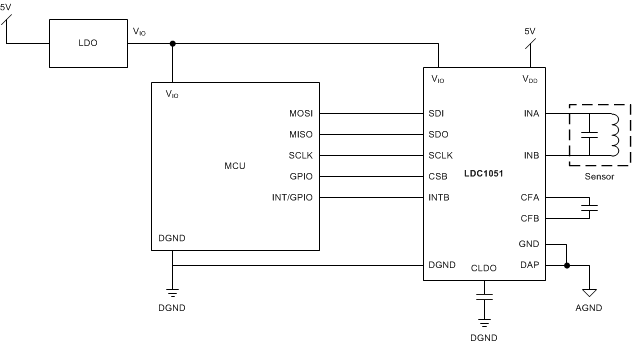
The LDC1051 is available in a 5mm x 4mm WSON-16 package. Device programming via SPI allows for easy configuration using a microcontroller.
| ORDER NUMBER | PACKAGE | BODY SIZE |
|---|---|---|
| LDC1051NHRT | WSON (16) | 5 mm × 4 mm |
| LDC1051NHRR | WSON (16) | 5 mm × 4 mm |
| LDC1051NHRJ | WSON (16) | 5 mm × 4 mm |



| DATE | REVISION | NOTES |
|---|---|---|
| March 2014 | * | Initial release. |