SNLS430C October 2012 – August 2014 DS125BR111
PRODUCTION DATA.
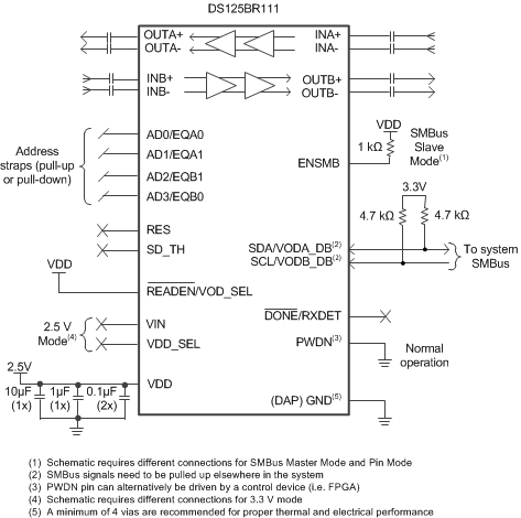
The DS125BR111 is an extremely low power high performance repeater/redriver designed to support 1-lane carrying high speed interface up to 12.5 Gbps. The receiver's continuous time linear equalizer (CTLE) provides a boost of 3-10 dB at 6 GHz in each channel. When operating in SAS-3 or PCIe Gen-3 applications, the DS125BR111 preserves transmit signal characteristics allowing the host controller and the end point to negotiate transmit equalizer coefficients. Transparency to the link training protocol maximizes the flexibility of the physical placement of the device within the interconnect and improves overall channel performance.
The programmable settings can be applied easily via pins, software (SMBus or I2C), or loaded via an external EEPROM. In EEPROM mode, the configuration information is automatically loaded on power up, which eliminates the need for an external microprocessor or software driver.
| PART NUMBER | PACKAGE | BODY SIZE (NOM) |
|---|---|---|
| DS125BR111 | WQFN (24) | 4.00mm x 4.00mm |
