SLWS237A November 2012 – November 2014 DRV11873
PRODUCTION DATA.
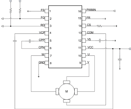
DRV11873 is a three-phase, sensorless motor driver with integrated power MOSFETs with drive current capability up to 1.5-A continuous and 2-A peak. DRV11873 is specifically designed for fan motor drive applications with low noise and low external component count. DRV11873 has built-in overcurrent protection with no external current sense resistor needed. The synchronous rectification mode of operation achieves increased efficiency for motor driver applications. DRV11873 outputs FG and RD to indicate motor status with open-drain output. A 150° sensorless BEMF control scheme is implemented for a three-phase motor. DRV11873 is available in the thermally-efficient 16-pin TSSOP package. The operation temperature is specified from –40°C to 125°C.
| PART NUMBER | PACKAGE | BODY SIZE (NOM) |
|---|---|---|
| DRV11873 | HTSSOP (16) | 4.40 mm × 5.00 mm |
