SBVS206A November 2012 – March 2015 DRV10866
PRODUCTION DATA.
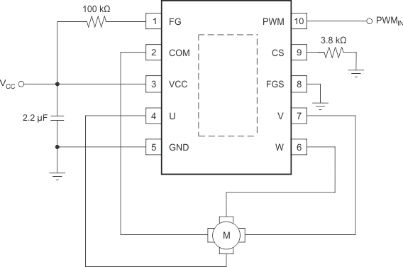
DRV10866 is a 3- phase, sensorless motor driver with integrated power MOSFETs with drive current capability up to 680-mA peak. DRV10866 is specifically designed for low noise and low external component count fan motor drive applications. DRV10866 has built-in overcurrent protection with no external current sense resistor needed. The synchronous rectification mode of operation achieves increased efficiency for motor driver applications. DRV10866 outputs either FG or ½ FG to indicate motor speed with open-drain output. A 150° sensorless BEMF control scheme is implemented for a 3-phase motor. DRV10866 is available in the thermally efficient 10-pin, 3-mm × 3-mm × 0.75-mm SON (DSC) package. The operating temperature is specified from –40°C to 125°C.
| PART NUMBER | PACKAGE | BODY SIZE (NOM) |
|---|---|---|
| DRV10866 | WSON (10) | 3.00 mm × 3.00 mm |
