ZHCSCG6A May 2014 – December 2014 TPS2513A-Q1 , TPS2514A-Q1
PRODUCTION DATA.
TPS2513A-Q1 和 TPS2514A-Q1 是 USB 專用充電端口 (DCP) 控制器,用于為大多數常見手機和平板電腦充電。 一個自動檢測特性監(jiān)控 USB 數據線路電壓,并在數據線路上自動提供正確的電氣特征,以便在下列專用充電系統配置中為兼容器件充電:
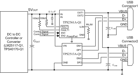
搭配使用 TPS2561A-Q1 與 TPS2513A-Q1(雙通道)、TPS2557-Q1 與 TPS2514A-Q1(單通道)可提供一套低損耗的汽車級 USB 充電端口解決方案,該解決方案能夠為目前所有常見的手機和平板電腦充電。
| 部件號 | 封裝 | 封裝尺寸(標稱值) |
|---|---|---|
| TPS2513A-Q1 | SOT-23 (6) | 2.90mm x 1.60mm |
| TPS2514A-Q1 |
