ZHCSDV3 June 2015 LMR16006Y-Q1
PRODUCTION DATA.
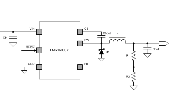
LMR16006Y-Q1 是一款脈寬調制 (PWM) DC-DC 降壓穩壓器。 該器件廣泛適用于從工業到汽車各類應用中非穩壓電源的電源調節。 該穩壓器在 ECO 模式下的待機電流為 28μA,非常適合電池供電類系統。 該器件具有 1μA 的超低關斷電流,可進一步延長電池使用壽命。 2.1MHz 的固定工作頻率使得該器件在使用小型外部組件的同時,仍能夠保持較低的輸出紋波電壓。 該器件在內部實現了軟啟動和補償電路,最大限度地減少了與其搭配使用的外部組件數。 LMR16006Y-Q1 經優化可提供高達 600mA 的負載電流, 其反饋電壓典型值為 0.765V。 該器件內置多種保護特性:逐脈沖電流限制保護、應對功耗過大的熱感測和熱關斷保護。 LMR16006Y-Q1 采用薄型小外形尺寸晶體管 (SOT)-6L 封裝 (2.9mm x 1.6mm)。
| 器件型號 | 封裝 | 輸出電壓 |
|---|---|---|
| LMR16006YQ | SOT (6) | 可調節 |
| LMR16006YQ3 | 固定 3.3V | |
| LMR16006YQ5 | 固定 5V |

