ZHCSB26A May 2013 – August 2014
PRODUCTION DATA.
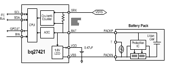
德州儀器 (TI) bq27421-G1 電量計是一款可輕松配置的微控制器外設,可針對單節鋰離子電池提供系統端電量計量。 此器件對用戶配置和系統微控制器固件開發的要求極低。
此款電量計采用針對電量計量、已獲專利的 Impedance Track™ 算法,可提供諸如剩余電池容量 (mAh)、充電狀態 (%) 和電池電壓 (mV) 等信息。
通過 bq27421-G1 電量計進行電池電量監測只需將 PACK+ (P+) 與 PACK- (P-) 連接至可拆卸電池組或嵌入式電池電路。 微型 9 球、1.62mm × 1.58mm 尺寸、0.5mm 間距的 NanoFree™ 芯片級封裝 (DSBGA) 是空間受限類應用的理想選擇。
