SNVS074E May 2001 – May 2016 LM2591HV
PRODUCTION DATA.
NOTE
Information in the following applications sections is not part of the TI component specification, and TI does not warrant its accuracy or completeness. TI’s customers are responsible for determining suitability of components for their purposes. Customers should validate and test their design implementation to confirm system functionality.
CFF – A feedforward capacitor, shown across R2 in Test Circuits, is used when the output voltage is greater than 10 V or when COUT has a very low ESR. This capacitor adds lead compensation to the feedback loop and increases the phase margin for better loop stability.
If the output voltage ripple is large (>5% of the nominal output voltage), this ripple can be coupled to the feedback pin through the feedforward capacitor and cause the error comparator to trigger the error flag. In this situation, adding a resistor, RFF, in series with the feedforward capacitor, approximately 3 times R1, will attenuate the ripple voltage at the feedback pin.
CIN – A low ESR aluminum or tantalum bypass capacitor is needed between the input pin and ground pin. It must be placed near the regulator using short leads. This capacitor prevents large voltage transients from appearing at the input, and provides the instantaneous current needed each time the switch turns on.
The important parameters for the Input capacitor are the voltage rating and the RMS current rating. Because of the relatively high RMS currents flowing in a buck regulator's input capacitor, this capacitor should be chosen for its RMS current rating rather than its capacitance or voltage ratings, although the capacitance value and voltage rating are directly related to the RMS current rating. The voltage rating of the capacitor and its RMS ripple current capability must never be exceeded.
COUT – An output capacitor is required to filter the output and provide regulator loop stability. Low impedance or low ESR Electrolytic or solid tantalum capacitors designed for switching regulator applications must be used. When selecting an output capacitor, the important capacitor parameters are the 100-kHz Equivalent Series Resistance (ESR), the RMS ripple current rating, voltage rating, and capacitance value. For the output capacitor, the ESR value is the most important parameter. The ESR must generally not be less than 100 mΩ or there will be loop instability. If the ESR is too large, efficiency and output voltage ripple are effected, so ESR must be chosen carefully.
Buck regulators require a diode to provide a return path for the inductor current when the switch turns off. This must be a fast diode and must be placed close to the LM2591HV using short leads and short printed-circuit traces.
Because of their very fast switching speed and low forward voltage drop, Schottky diodes provide the best performance, especially in low output voltage applications (5 V and lower). Ultra-fast recovery, or high-efficiency rectifiers are also a good choice, but some types with an abrupt turnoff characteristic may cause instability or EMI problems. Ultra-fast recovery diodes typically have reverse recovery times of 50 ns or less. The diode must be chosen for its average/RMS current rating and maximum voltage rating. The voltage rating of the diode must be greater than the DC input voltage (not the output voltage).
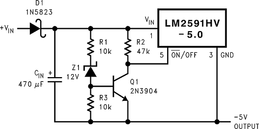
The circuit in Figure 25 converts a positive input voltage to a negative output voltage with a common ground. The circuit operates by bootstrapping the regulator's ground pin to the negative output voltage, then grounding the feedback pin. The regulator senses and regulates the inverted output voltage.
This example uses the LM2591HV-5.0 to generate a −5-V output, but other output voltages are possible by selecting other output voltage versions, including the adjustable version. Because this regulator topology can produce an output voltage that is either greater than or less than the input voltage, the maximum output current greatly depends on both the input and output voltage.
To determine how much load current is possible before the internal device current limit is reached (and power limiting occurs), the system must be evaluated as a buck-boost configuration rather than as a buck. The peak switch current in amperes, for such a configuration is given as Equation 1:

where
While checking for this, take ICLIM to be the lowest possible current limit value (minimum across tolerance and temperature is 1.2 A for the LM2591HV). Also to account for inductor tolerances, take the minimum value of inductance for L in Equation 1 (typically 20% less than the nominal value). Further, Equation 1 disregards the drop across the switch and the diode. This is equivalent to assuming 100% efficiency, which is never so. Therefore expect IPEAK to be an additional 10% to 20% higher than calculated from Equation 1.
See Application Note AN-1157 (SNVA022) for examples based on positive to negative configuration.
The maximum voltage appearing across the regulator is the absolute sum of the input and output voltage, and this must be limited to a maximum of 60 V. For example, when converting +20 V to −12 V, the regulator would see 32 V between the input pin and ground pin. The LM2591HV has a maximum input voltage spec of 60 V.
Additional diodes are required in this regulator configuration. Diode D1 is used to isolate input voltage ripple or noise from coupling through the CIN capacitor to the output, under light or no load conditions. Also, this diode isolation changes the topology to closely resemble a buck configuration thus providing good closed loop stability. A Schottky diode is recommended for low input voltages, (because of its lower voltage drop) but for higher input voltages, a fast recovery diode could be used.
Without diode D3, when the input voltage is first applied, the charging current of CIN can pull the output positive by several volts for a short period of time. Adding D3 prevents the output from going positive by more than a diode voltage.
Because of differences in the operation of the inverting regulator, the standard design procedure is not used to select the inductor value. In the majority of designs, a 33-μH, 3-A inductor is the best choice. Capacitor selection can also be narrowed down to just a few values.
This type of inverting regulator can require relatively large amounts of input current when starting up, even with light loads. Input currents as high as the LM2591HV current limit (approx 4 A) are needed for at least 2 ms or more, until the output reaches its nominal output voltage. The actual time depends on the output voltage and the size of the output capacitor. Input power sources that are current-limited or sources that can not deliver these currents without getting loaded down, may not work correctly. Because of the relatively high start-up currents required by the inverting topology, the delayed start-up feature (C1, R1, and R2) shown in Figure 25 is recommended. By delaying the regulator start-up, the input capacitor is allowed to charge up to a higher voltage before the switcher begins operating. A portion of the high input current needed for start-up is now supplied by the input capacitor (CIN). For severe start-up conditions, the input capacitor can be made much larger than normal.
Using the ON/OFF pin in a standard buck configuration is simple. To turn the regulator ON, pull the ON/OFF pin below 1.3 V (at 25°C, referenced to ground). To turn regulator OFF, pull the ON/OFF pin above 1.3 V. With the inverting configuration, some level shifting is required, because the ground pin of the regulator is no longer at ground, but is now setting at the negative output voltage level. Two different shutdown methods for inverting regulators are shown in Figure 26 and Figure 27.
Figure 26. Inverting Regulator Ground Referenced Shutdown
Figure 27. Inverting Regulator Ground Referenced Shutdown Using Opto Device
Figure 28. Typical Application
Table 1 lists the parameters for this design example.
| PARAMETER | EXAMPLE VALUE |
|---|---|
| Regulated output voltage, VOUT | 20 V |
| Maximum input voltage, VIN(max) | 24 V |
| Maximum load current, ILOAD(max) | 1 A |
| Switching frequency, F | Fixed at a nominal 150 kHz |
See Application Note AN-1197 (SNVA038) for detailed information on selecting inductors for buck converters. For a quick-start, the designer may refer to the nomographs provided in Figure 29 to Figure 31. To give designers more options of available inductors, the nomographs provide the required inductance and also the energy in the core expressed in microjoules (µJ), as an alternative to just prescribing custom parts. The following points must be highlighted:
NOTE
To ensure reliability, TI recommends that, if the DC Input Voltage exceeds 40 V, the inductor must be sized to handle an instantaneous current equal to ICLIM without saturating, irrespective of the type of core structure or material

where
These are the energy values shown in the nomographs. See Example 1.

If VIN > 40 V, the inductor must be sized to handle eCLIM instead of the steady energy values. The worst case ICLIM for the LM2591HV is 3 A. The energy rating depends on the inductance. See Example 2.
Example 1: (VIN ≤ 40 V) LM2591HV-5.0, VIN = 24 V, Output 5 V at 0.8 A
Example 2: (VIN > 40 V) LM2591HV-5.0, VIN = 48 V, Output 5 V at 1 A

Example 3: (VIN ≤ 40 V) LM2591HV-ADJ, VIN = 20 V, Output 10 V at 1 A

where
Substituting in the values gives Equation 6:

And the switch ON time is calculated with Equation 7:

where
So

Therefore, looking at Figure 29, quick-select a 100-μH, 1-A inductor (designed for 150-kHz operation) for this application.
NOTE
Take VSAT as 1.5 V which includes an estimated resistive drop across the inductor.
This completes the simplified inductor selection procedure. See AN-1197 (SNVA038), for more general applications and better optimization.
Figure 29. LM2591HV-3.3
Figure 31. LM2591HV-ADJ
Figure 30. LM2591HV-5.0